LEMON Manuals: Even more car manuals for everyone
Home >> Buick >> 2018 >> Enclave Base >> Repair and Diagnosis >> External Pages >> Different car >> Section 19 (Cellular System, Entertainment System, And Navigation System) >> Schematic Wiring Diagrams >> Radio/Navigation System Wiring Schematics >> Speakers (UQF)

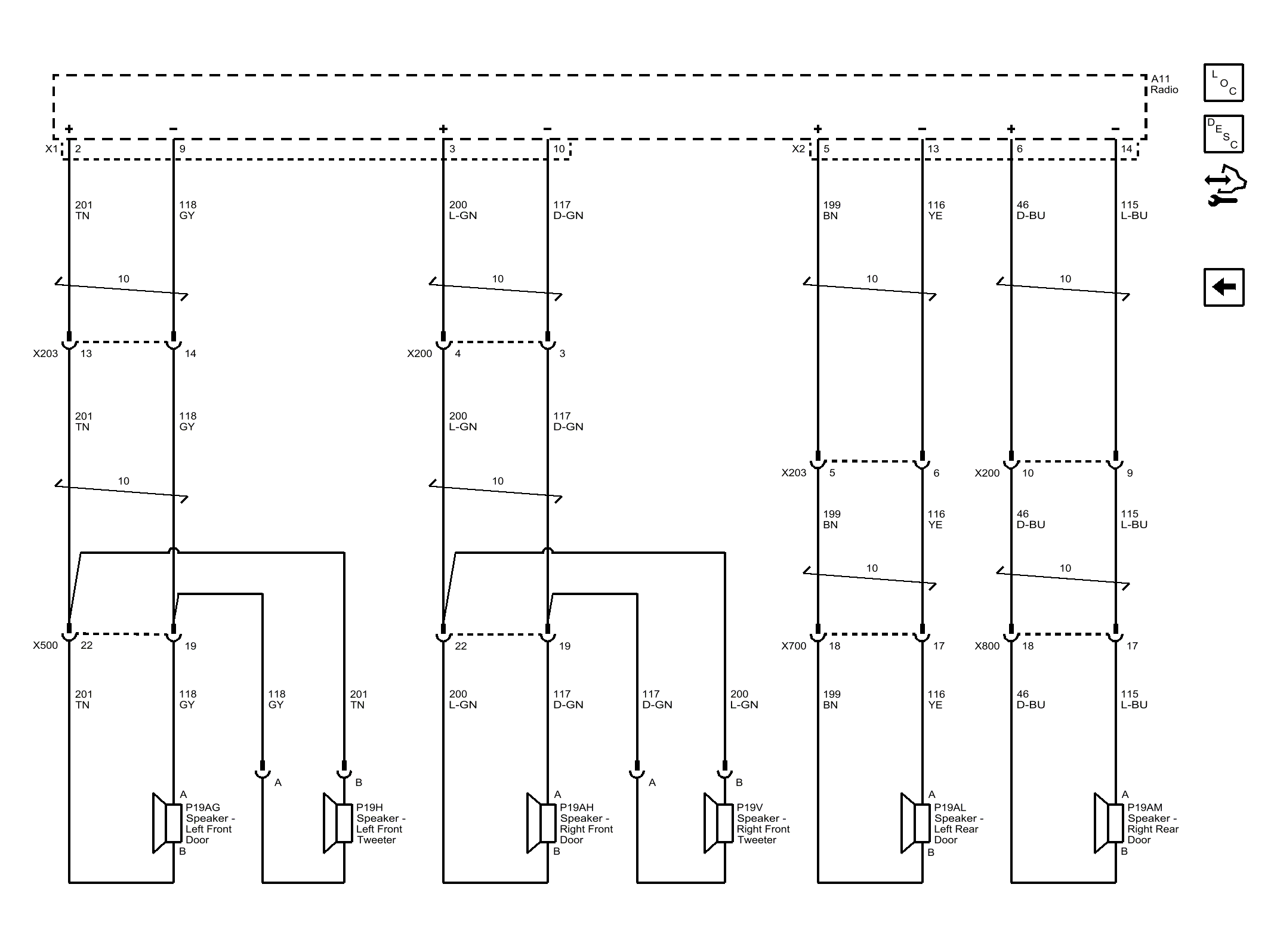
Speakers (UQF)

WARNING: This page is about a different car, the 2017 GMC Acadia Limited, 2017 Chevrolet Traverse, and 2017 Buick Enclave. However, it is still accessible from the selected car via links, so may be relevant.
Fig 1: Speakers (UQF)
GM4405813Courtesy of GENERAL MOTORS COMPANY