LEMON Manuals: Even more car manuals for everyone
Home >> Buick >> 2018 >> Enclave Base >> Repair and Diagnosis (Single Page) >> Body & Frame >> Door Locks >> Keyless Entry System And Remote Function System >> Schematic Wiring Diagrams >> Remote Function Wiring Schematics >> Keyless Entry - Passive and Keyless Start

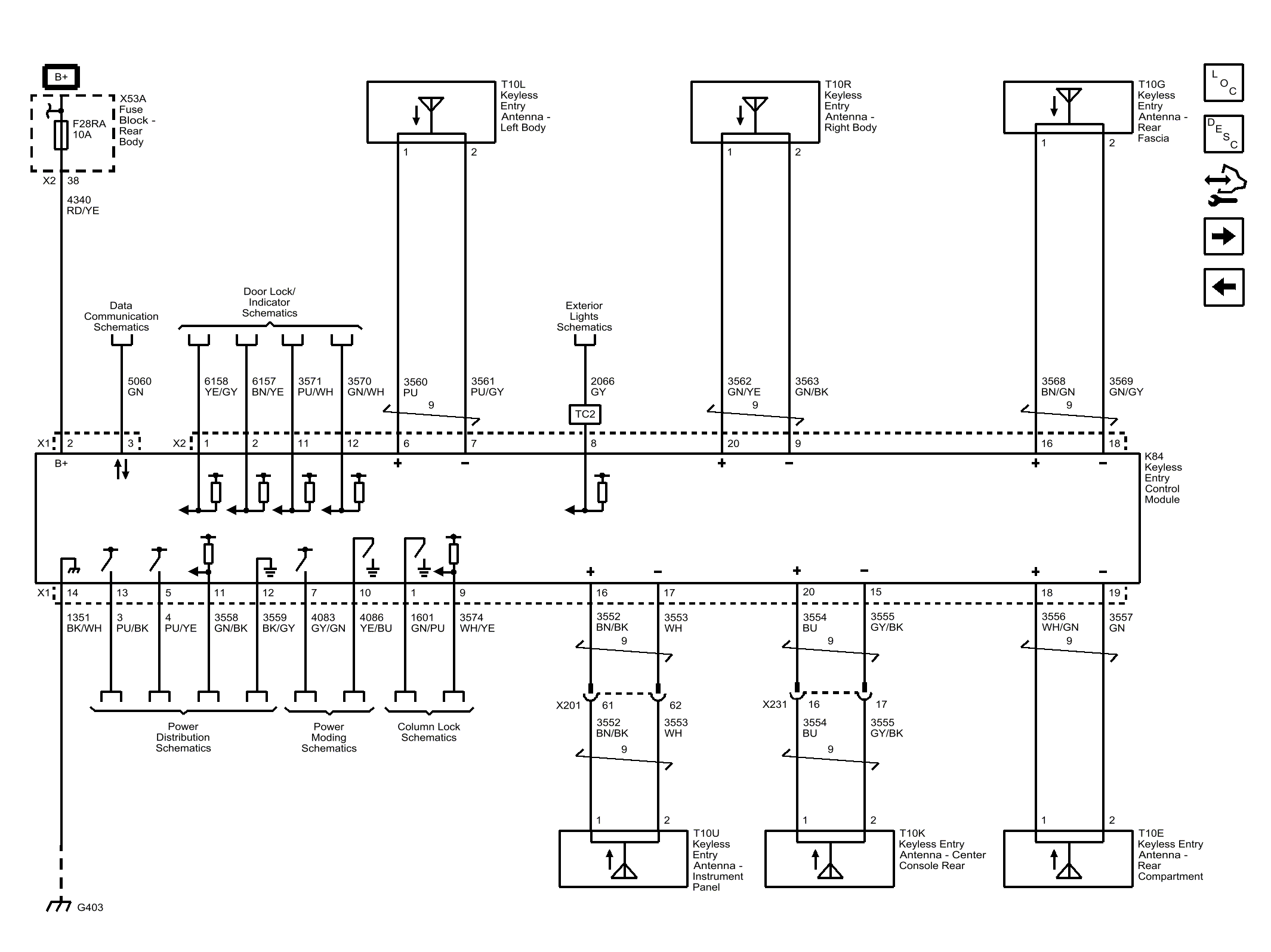
Keyless Entry - Passive and Keyless Start

GM4745297