LEMON Manuals: Even more car manuals for everyone
Home >> Buick >> 2018 >> Enclave Base >> Repair and Diagnosis (Single Page) >> Accessories & Equipment >> Drivers Assistance Systems - ADAS >> Image Display Camera System >> Schematic Wiring Diagrams >> Image Display Camera Wiring Schematics >> 360 Degree Vision - Module Power, Ground, Serial Data, and Camera Signals (UVH without UDA/UE3/UI3)

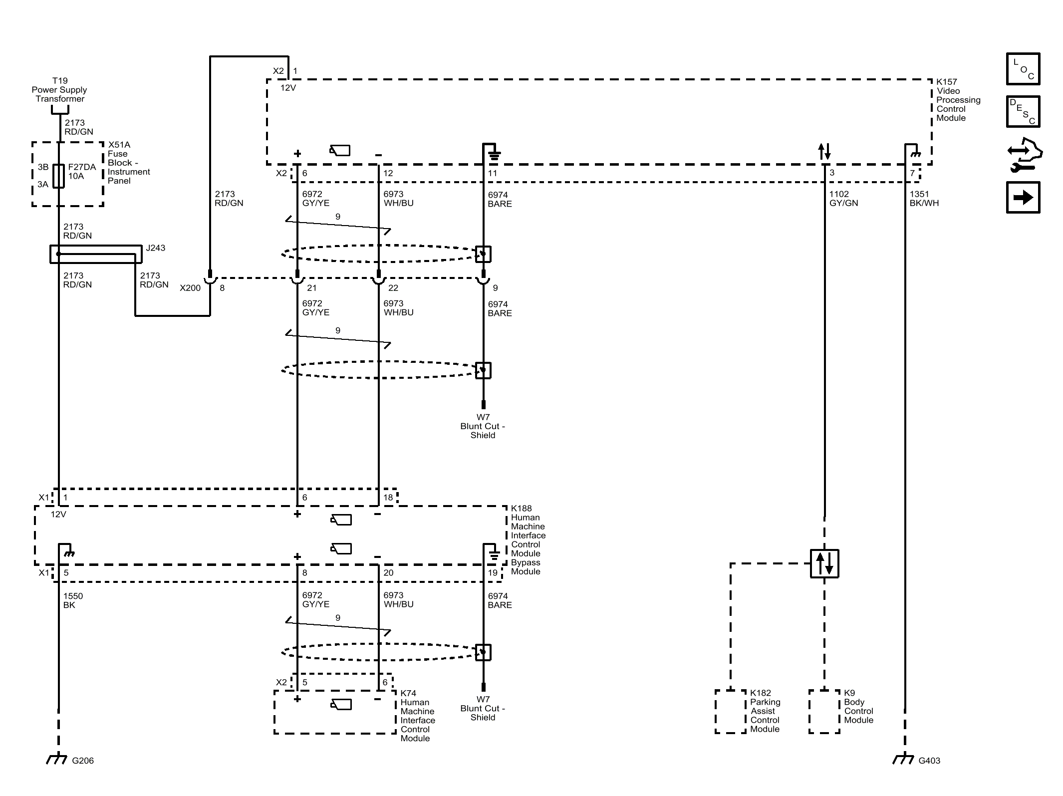
360 Degree Vision - Module Power, Ground, Serial Data, and Camera Signals (UVH without UDA/UE3/UI3)

GM4750949