LEMON Manuals: Even more car manuals for everyone
Home >> Buick >> 2017 >> Verano Base, Gas >> Repair and Diagnosis >> Accessories & Equipment >> Drivers Assistance Systems - ADAS >> Object Detection System And Pedestrian Protection System >> Schematic Wiring Diagrams >> Object Detection Wiring Schematics >> Forward Collision Alert (UEU), Lane Departure Warning (UFL)

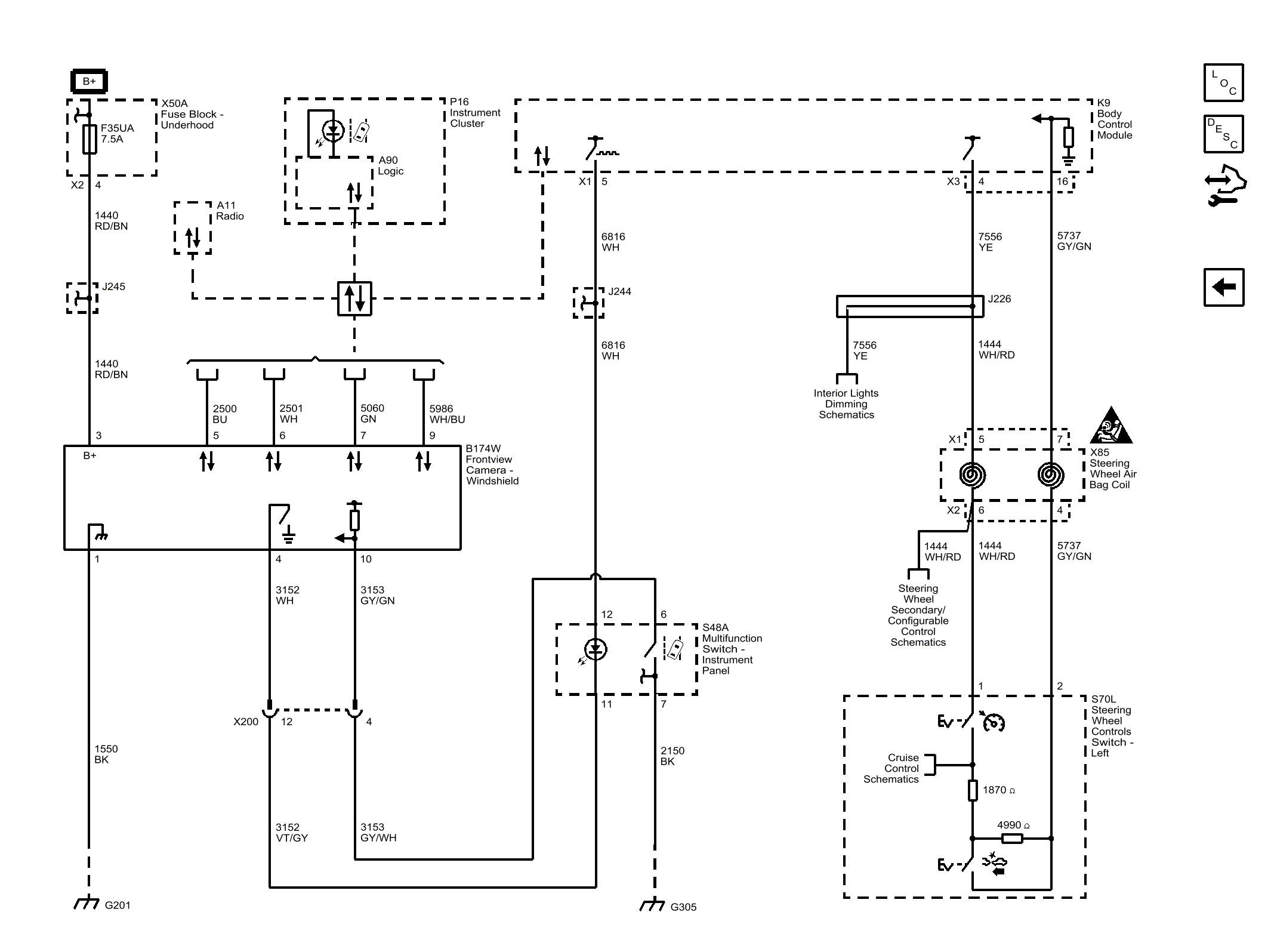
Forward Collision Alert (UEU), Lane Departure Warning (UFL)

Fig 1: Forward Collision Alert (UEU), Lane Departure Warning (UFL)
GM4502852Courtesy of GENERAL MOTORS COMPANY