LEMON Manuals: Even more car manuals for everyone
Home >> Buick >> 2017 >> Verano Base, Gas/Ethanol >> Repair and Diagnosis >> Engine Performance >> System >> Data Communication System >> Schematic Wiring Diagrams >> Data Communication Wiring Schematics >> High Speed Bus 2

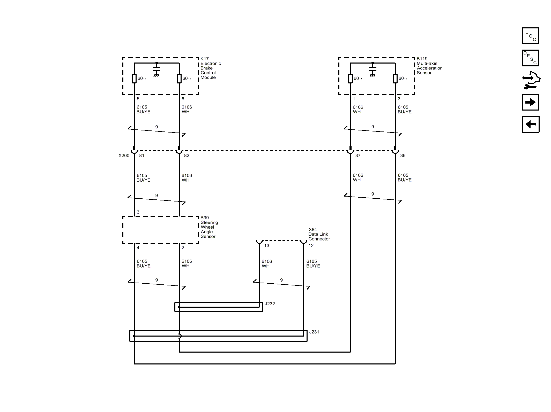
High Speed Bus 2

Fig 1: High Speed Bus 2 High Speed Bus 1
GM4500301Courtesy of GENERAL MOTORS COMPANY