LEMON Manuals: Even more car manuals for everyone
Home >> Buick >> 2017 >> Verano Base, Gas/Ethanol >> Repair and Diagnosis >> Accessories & Equipment >> Entertainment Systems >> Cellular System, Entertainment System, And Navigation System >> Schematic Wiring Diagrams >> Radio/Navigation System Wiring Schematics >> Power, Ground, Serial Data, Antennas, and Display (UAG)

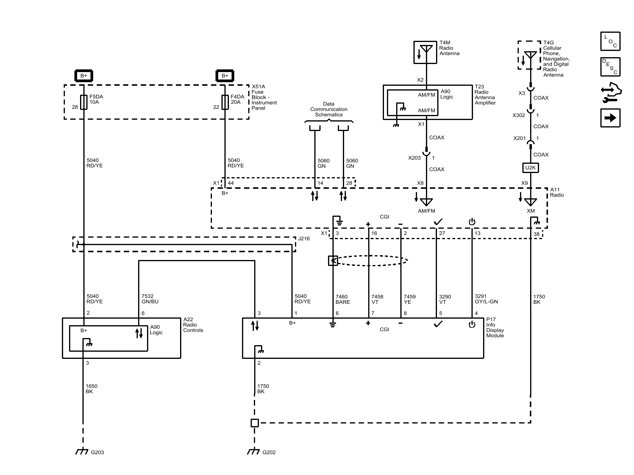
Power, Ground, Serial Data, Antennas, and Display (UAG)

Fig 1: Power, Ground, Serial Data, Antennas, and Display (UAG)
GM4499508Courtesy of GENERAL MOTORS COMPANY