LEMON Manuals: Even more car manuals for everyone
Home >> Buick >> 2017 >> Verano Base, Gas/Ethanol >> Repair and Diagnosis >> Accessories & Equipment >> Entertainment Systems >> Cellular System, Entertainment System, And Navigation System >> Schematic Wiring Diagrams >> Radio/Navigation System Wiring Schematics >> Multimedia Player Interface (KTA)

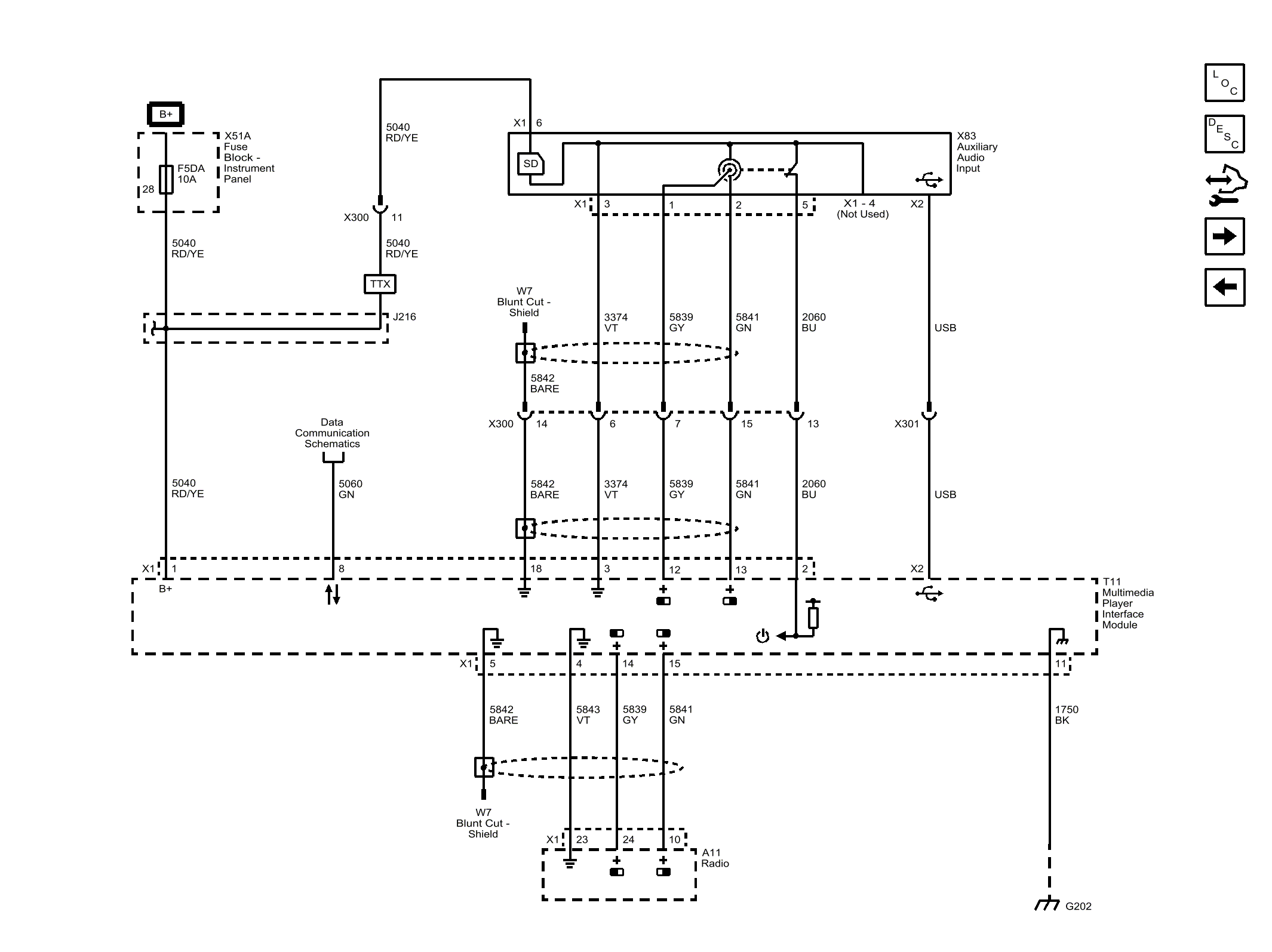
Multimedia Player Interface (KTA)

Fig 1: Multimedia Player Interface (KTA)
GM4499505Courtesy of GENERAL MOTORS COMPANY