LEMON Manuals: Even more car manuals for everyone
Home >> Buick >> 2017 >> Regal Premium, FWD >> Repair and Diagnosis >> Accessories & Equipment >> Drivers Assistance Systems - ADAS >> Object Detection System And Pedestrian Protection System >> Schematic Wiring Diagrams >> Object Detection Wiring Schematics >> Rearview Camera (CZ2/UVC with IO7)

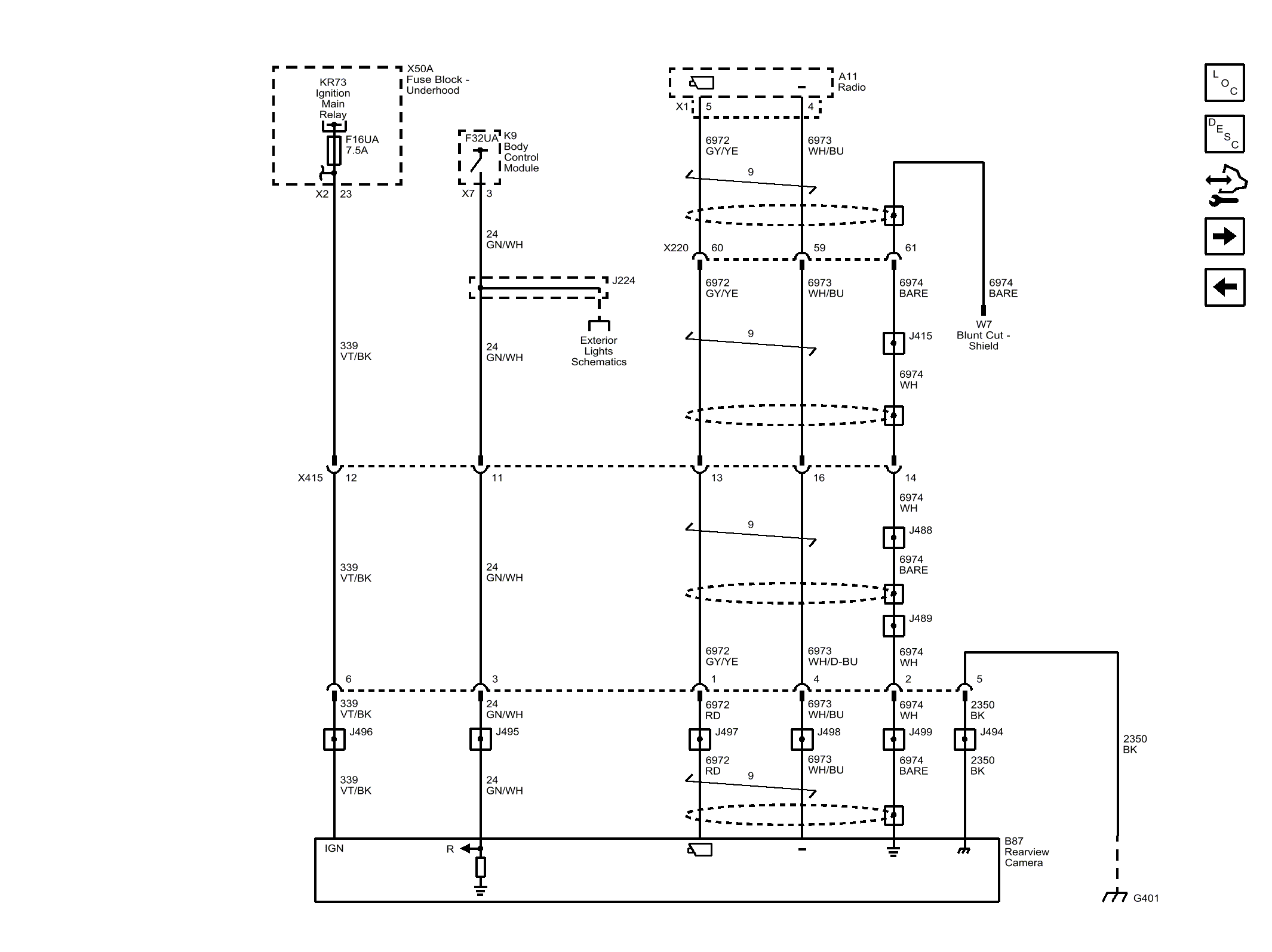
Rearview Camera (CZ2/UVC with IO7)

Fig 1: Rearview Camera (CZ2/UVC with IO7)
GM4423571Courtesy of GENERAL MOTORS COMPANY