LEMON Manuals: Even more car manuals for everyone
Home >> Buick >> 2017 >> LaCrosse Base >> Repair and Diagnosis >> Accessories & Equipment >> Drivers Assistance Systems - ADAS >> Object Detection System And Pedestrian Protection System >> Schematic Wiring Diagrams >> Object Detection Wiring Schematics >> Rear Cross Traffic Alert (UFG) and Side Object Detection (UKC)

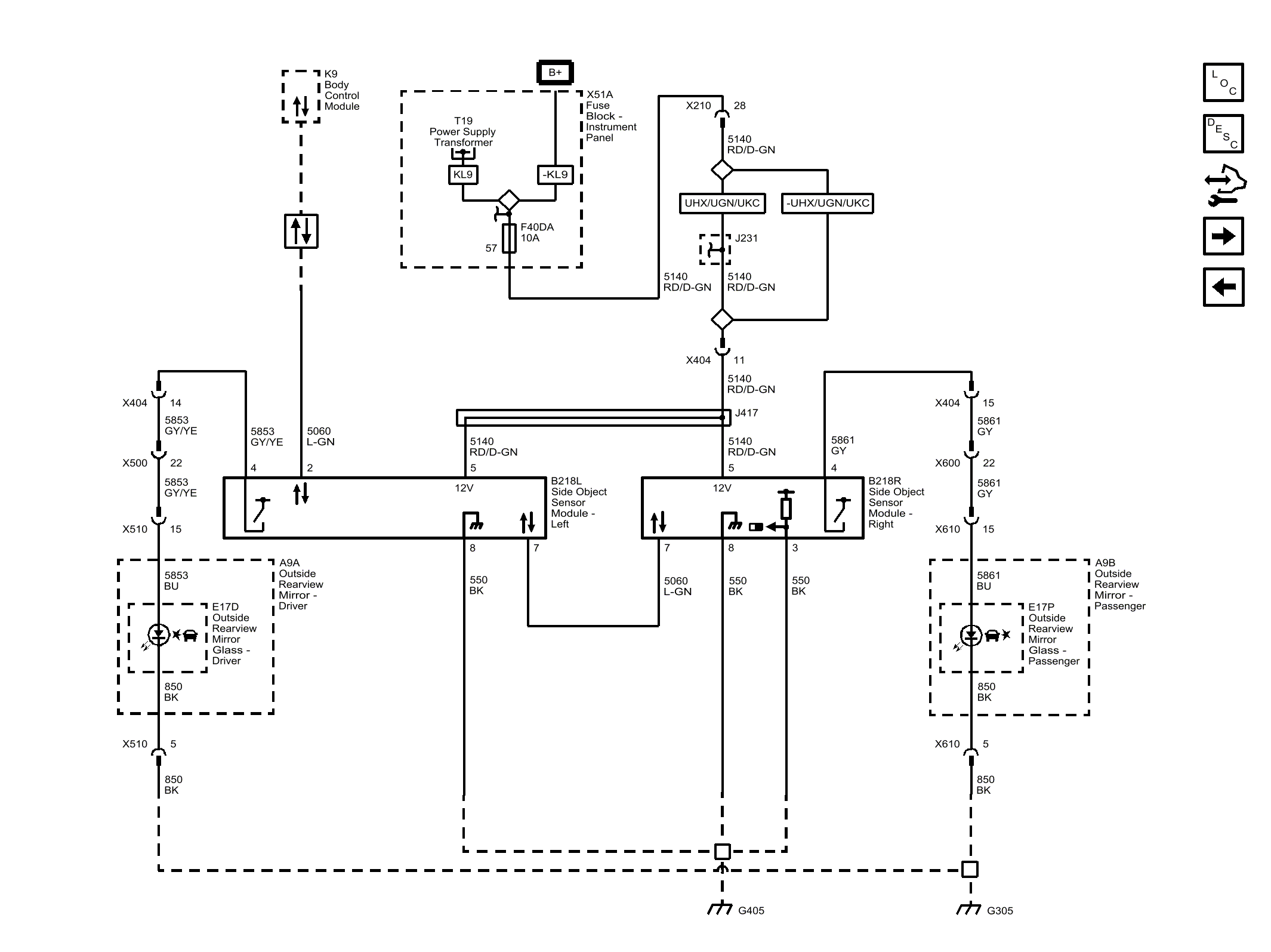
Rear Cross Traffic Alert (UFG) and Side Object Detection (UKC)

Fig 1: Rear Cross Traffic Alert (UFG) and Side Object Detection (UKC)
GM4298509Courtesy of GENERAL MOTORS COMPANY