LEMON Manuals: Even more car manuals for everyone
Home >> Buick >> 2017 >> LaCrosse Base >> Repair and Diagnosis >> Accessories & Equipment >> Drivers Assistance Systems - ADAS >> Object Detection System And Pedestrian Protection System >> Schematic Wiring Diagrams >> Object Detection Wiring Schematics >> Lane Keep Assist (UHX) and Forward Collision Alert (UEU)

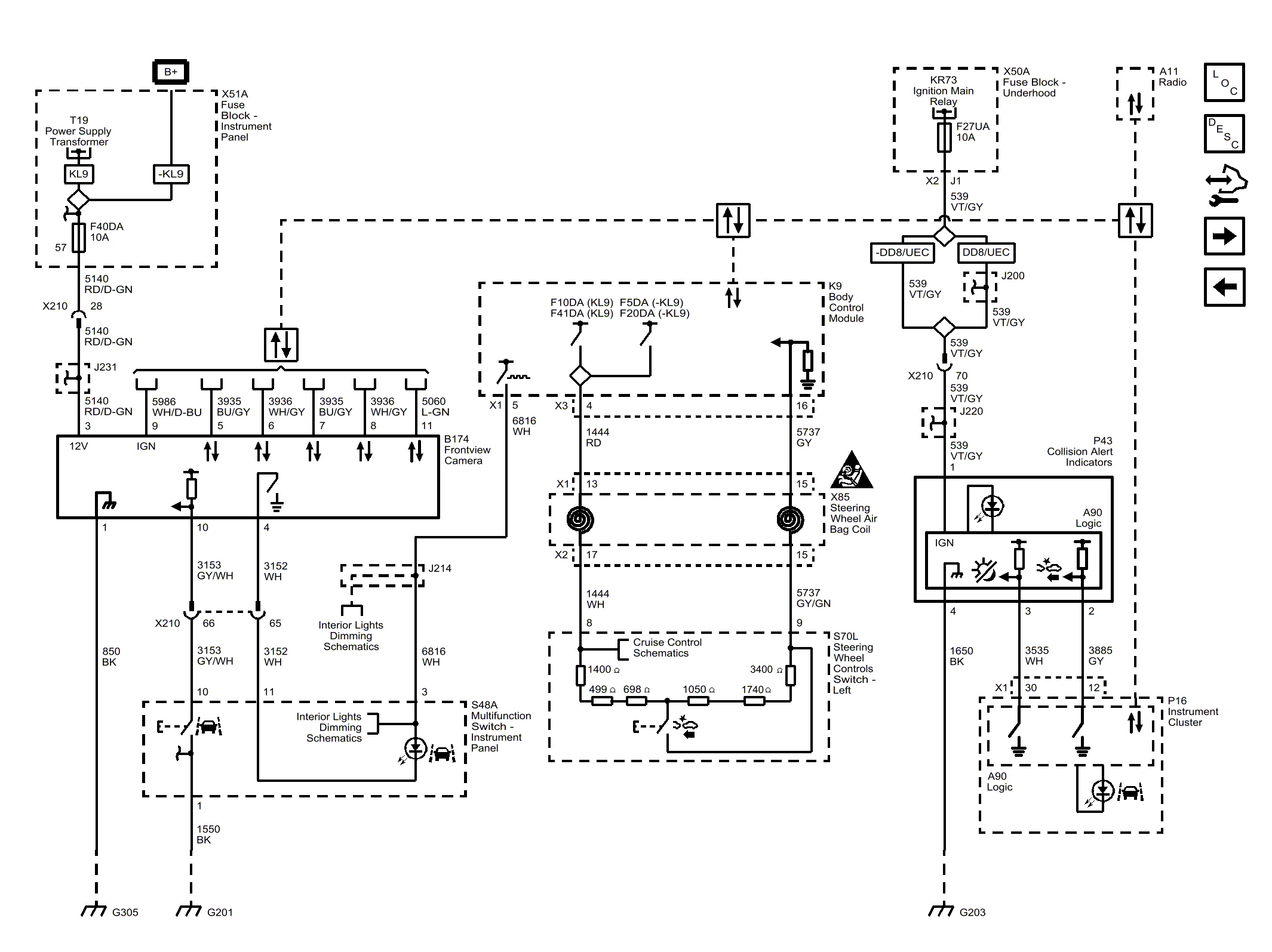
Lane Keep Assist (UHX) and Forward Collision Alert (UEU)

Fig 1: Lane Keep Assist (UHX) and Forward Collision Alert (UEU)
GM4298508Courtesy of GENERAL MOTORS COMPANY