LEMON Manuals: Even more car manuals for everyone
Home >> Buick >> 2017 >> LaCrosse Base >> Repair and Diagnosis >> Accessories & Equipment >> Drivers Assistance Systems - ADAS >> Object Detection System And Pedestrian Protection System >> Schematic Wiring Diagrams >> Object Detection Wiring Schematics >> Collision Avoidance - Camera and Module Power, Ground, and Controls (UGN)

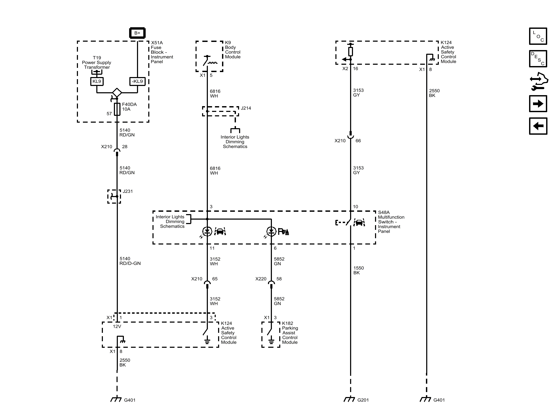
Collision Avoidance - Camera and Module Power, Ground, and Controls (UGN)

Fig 1: Collision Avoidance - Camera and Module Power, Ground, and Controls (UGN)
GM4298510Courtesy of GENERAL MOTORS COMPANY