LEMON Manuals: Even more car manuals for everyone
Home >> Buick >> 2017 >> Envision Essence, AWD >> Repair and Diagnosis >> Accessories & Equipment >> Drivers Assistance Systems - ADAS >> Object Detection System And Pedestrian Protection System >> Schematic Wiring Diagrams >> Object Detection Wiring Schematics >> Park Assist - Module Power, Ground, Serial Data, and Controls

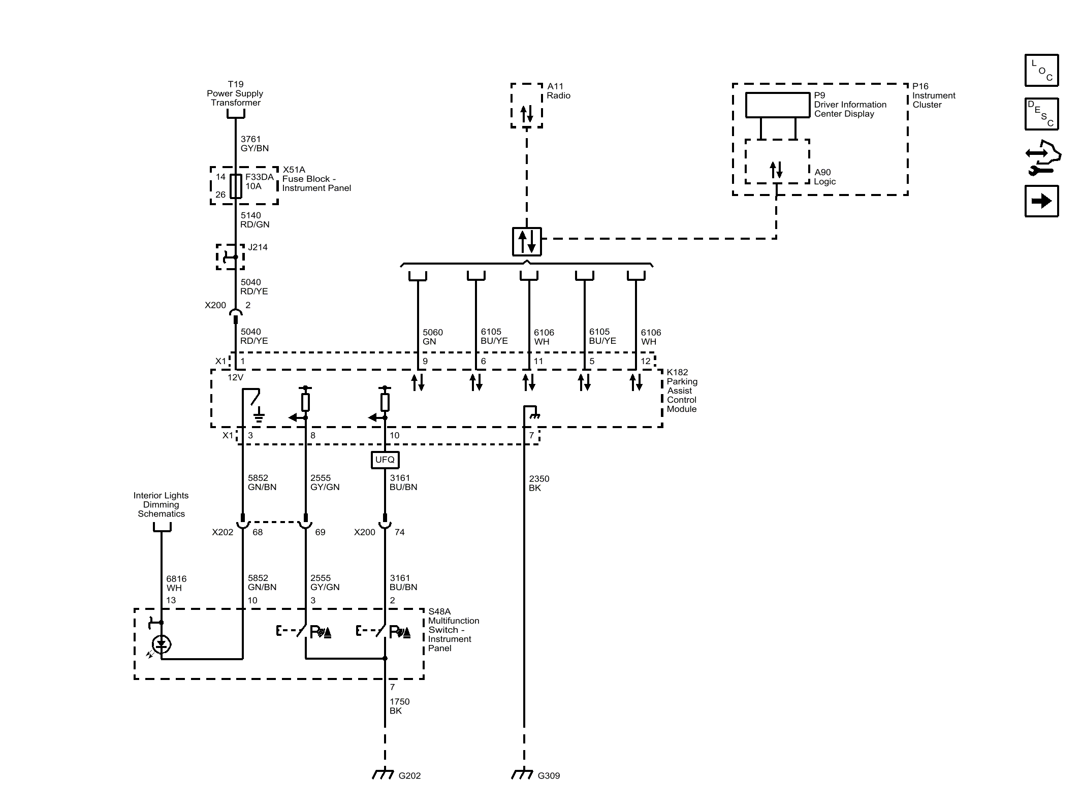
Park Assist - Module Power, Ground, Serial Data, and Controls

Fig 1: Park Assist - Module Power, Ground, Serial Data, and Controls
GM4493134Courtesy of GENERAL MOTORS COMPANY