LEMON Manuals: Even more car manuals for everyone
Home >> Buick >> 2017 >> Envision Essence, AWD >> Repair and Diagnosis >> Accessories & Equipment >> Drivers Assistance Systems - ADAS >> Object Detection System And Pedestrian Protection System >> Schematic Wiring Diagrams >> Object Detection Wiring Schematics >> Forward Collision Alert and Lane Assist (UEU without UGN)

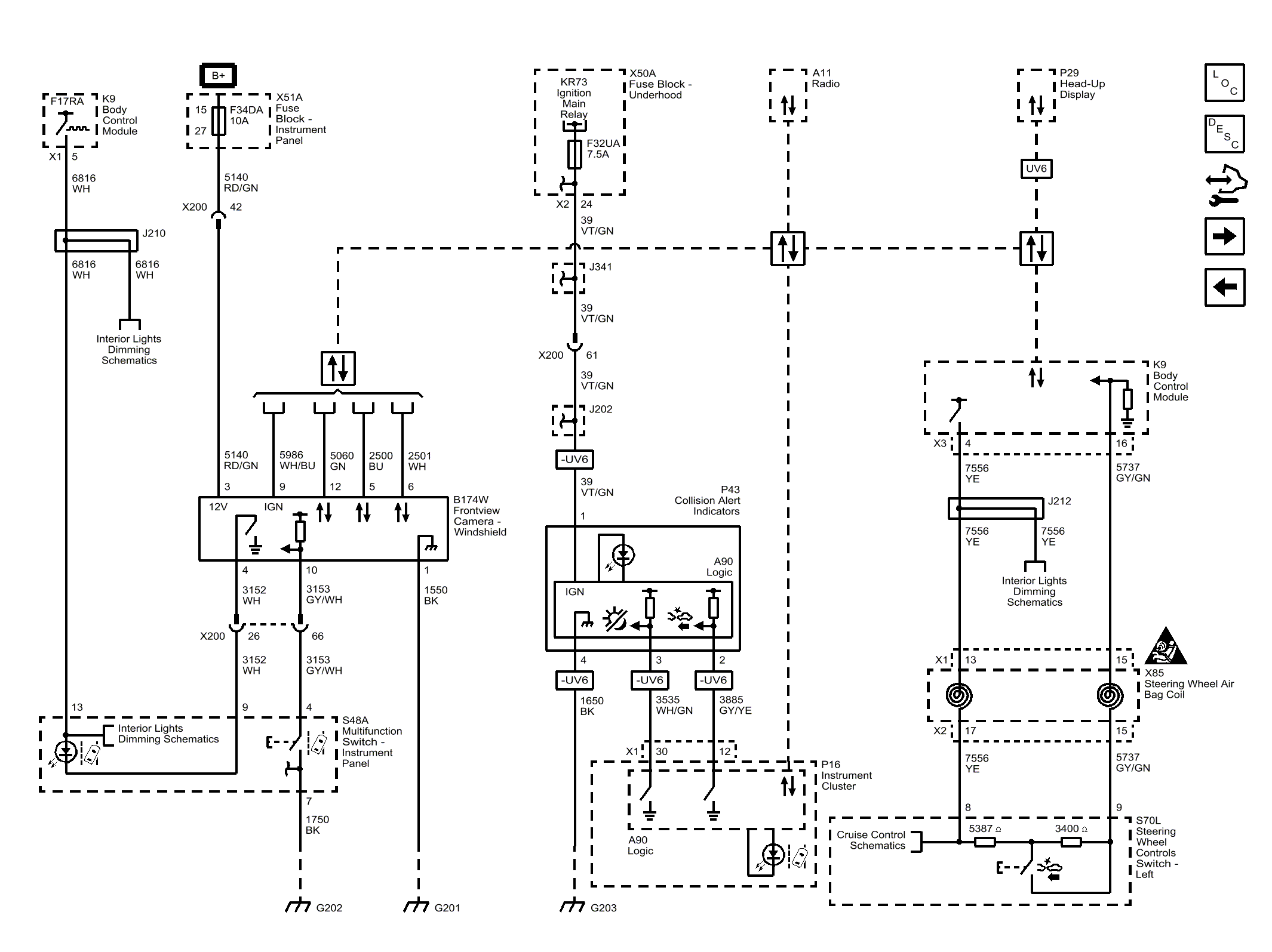
Forward Collision Alert and Lane Assist (UEU without UGN)

Fig 1: Forward Collision Alert and Lane Assist (UEU without UGN)
GM4493081Courtesy of GENERAL MOTORS COMPANY