LEMON Manuals: Even more car manuals for everyone
Home >> Buick >> 2017 >> Envision Base >> Repair and Diagnosis >> Accessories & Equipment >> Memory Modules >> Secondary And Configurable Customer Control System >> Schematic Wiring Diagrams >> Steering Wheel Secondary/Configurable Control Wiring Schematics >> Steering Wheel Secondary/Configurable Control

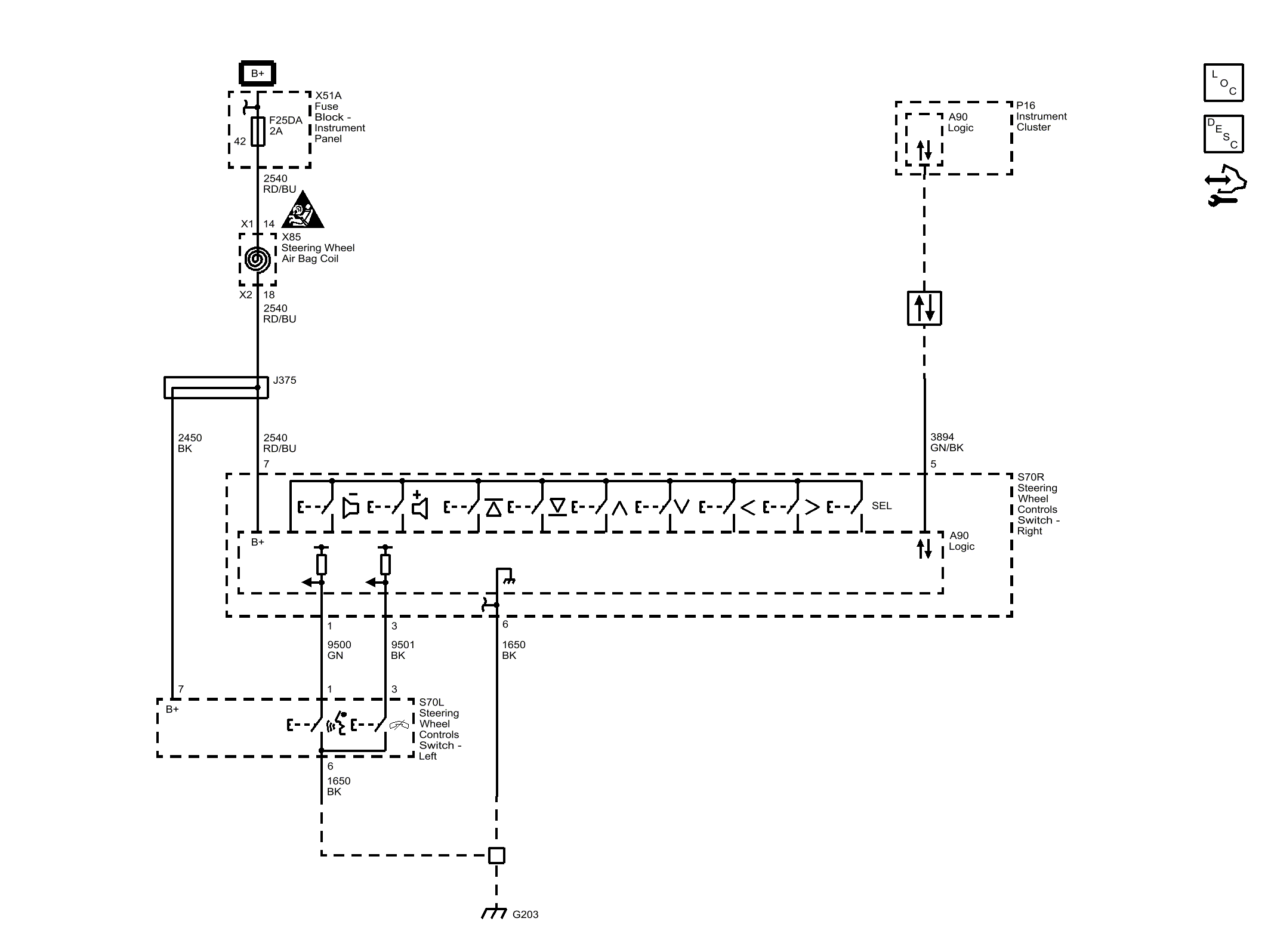
Steering Wheel Secondary/Configurable Control

Fig 1: Steering Wheel Secondary/Configurable Control
GM4493756Courtesy of GENERAL MOTORS COMPANY