LEMON Manuals: Even more car manuals for everyone
Home >> Buick >> 2017 >> Envision Base >> Repair and Diagnosis >> Accessories & Equipment >> Entertainment Systems >> Cellular System, Entertainment System, And Navigation System >> Schematic Wiring Diagrams >> Radio/Navigation System Wiring Schematics >> Radio Power, Ground, Data Communications, Antennas, and Functions

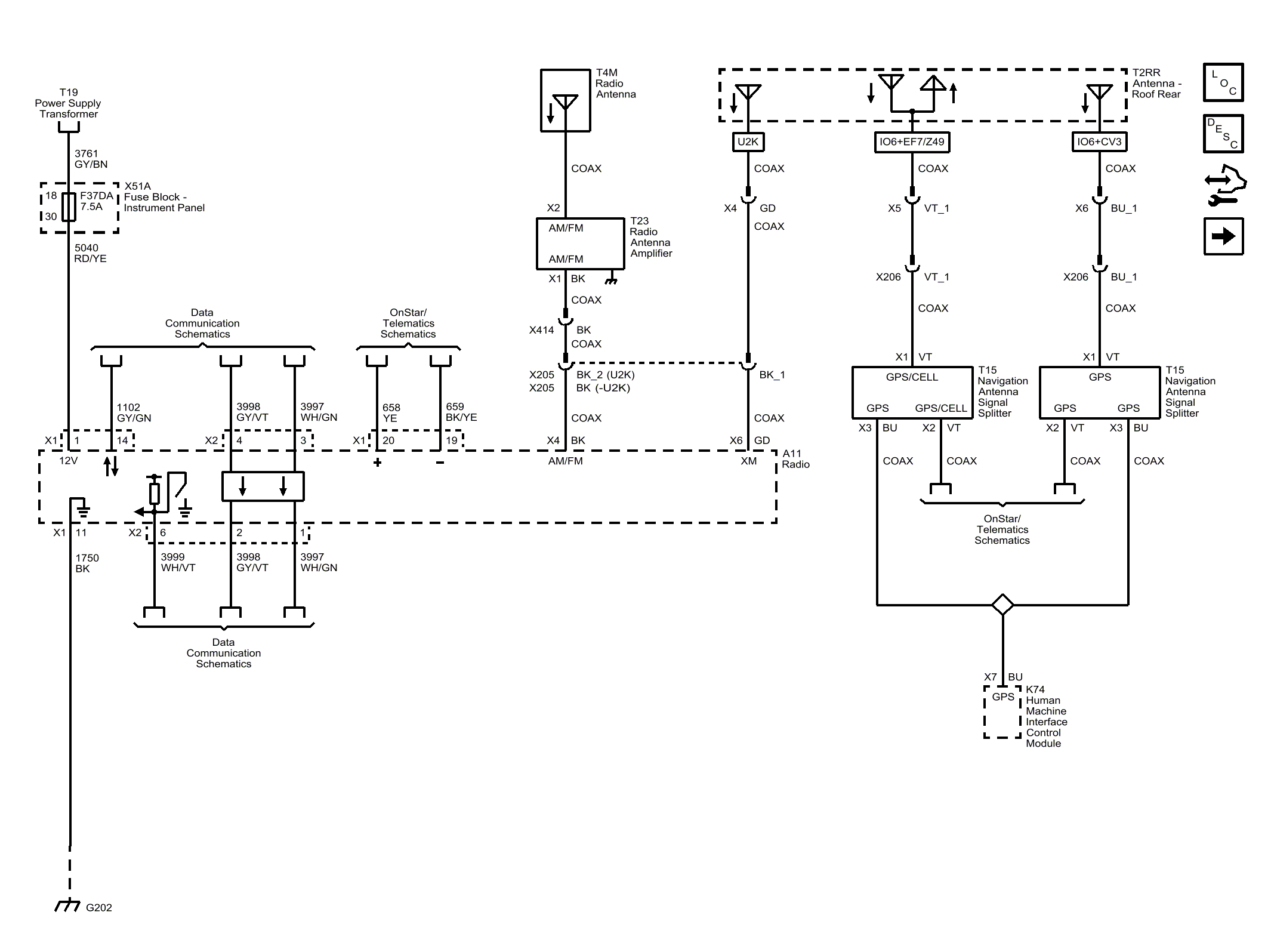
Radio Power, Ground, Data Communications, Antennas, and Functions

Fig 1: Radio Power, Ground, Data Communications, Antennas, and Functions
GM4493672Courtesy of GENERAL MOTORS COMPANY