LEMON Manuals: Even more car manuals for everyone
Home >> Buick >> 2017 >> Envision Base >> Repair and Diagnosis (Single Page) >> Body & Frame >> Seats >> Power Seat System >> Schematic Wiring Diagrams >> Driver Seat Wiring Schematics >> Module Power, Ground, Serial Data, and Memory Controls (A45)

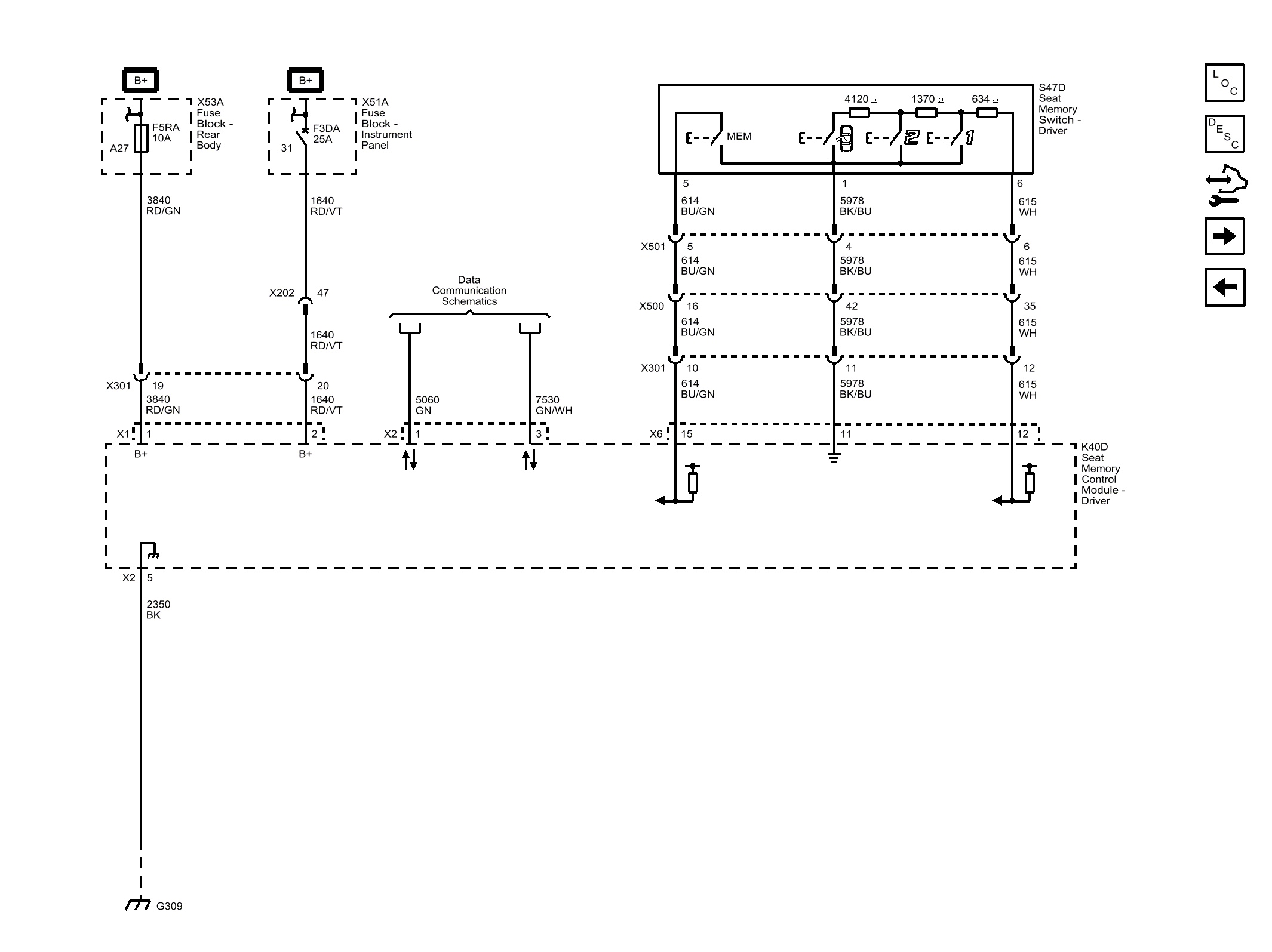
Module Power, Ground, Serial Data, and Memory Controls (A45)

Fig 1: Module Power, Ground, Serial Data, and Memory Controls (A45)
GM4492650Courtesy of GENERAL MOTORS COMPANY