LEMON Manuals: Even more car manuals for everyone
Home >> Buick >> 2017 >> Encore Preferred, AWD >> Repair and Diagnosis (Single Page) >> Accessories & Equipment >> Entertainment Systems >> Cellular System, Entertainment System, And Navigation System >> Schematic Wiring Diagrams >> Radio/Navigation System Wiring Schematics (Buick) >> Power, Ground, Serial Data, and Audio Input (Buick)

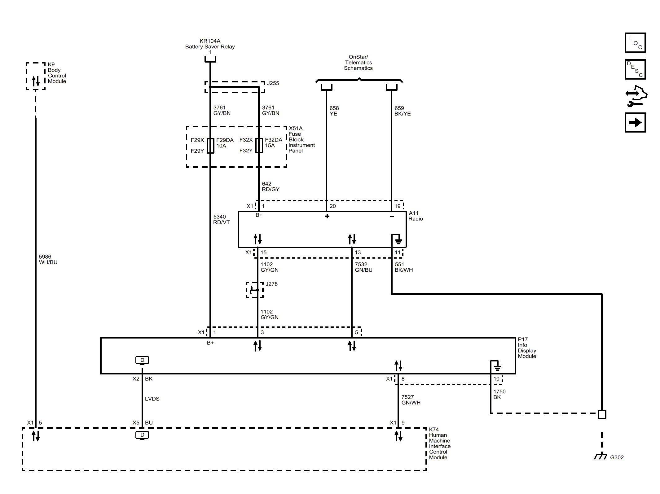
Power, Ground, Serial Data, and Audio Input (Buick)

Fig 1: Power, Ground, Serial Data, and Audio Input (Buick)
GM4376676Courtesy of GENERAL MOTORS COMPANY