LEMON Manuals: Even more car manuals for everyone
Home >> Buick >> 2017 >> Encore Base >> Repair and Diagnosis >> Accessories & Equipment >> Drivers Assistance Systems - ADAS >> Object Detection System And Pedestrian Protection System >> Schematic Wiring Diagrams >> Object Detection Wiring Schematics (Chevrolet) >> Rearview Camera (Chevrolet with UVC)

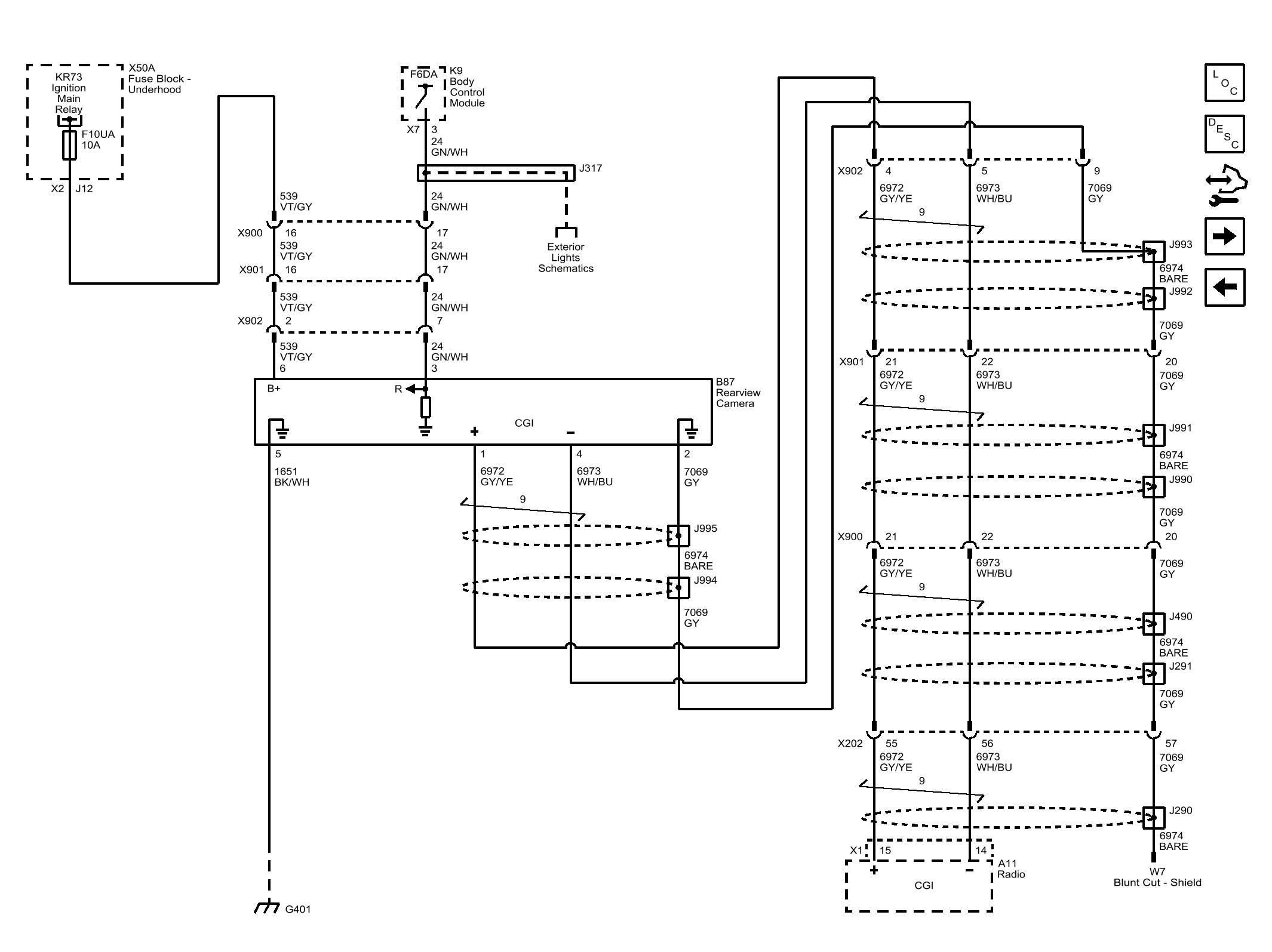
Rearview Camera (Chevrolet with UVC)

Fig 1: Rearview Camera (Chevrolet with UVC)
GM4409733Courtesy of GENERAL MOTORS COMPANY