LEMON Manuals: Even more car manuals for everyone
Home >> Buick >> 2017 >> Encore Base >> Repair and Diagnosis >> Accessories & Equipment >> Anti-Theft Systems >> Keyless Entry System And Remote Functions >> Schematic Wiring Diagrams >> Remote Function Wiring Schematics (Buick) >> Keyless Entry - Passive Entry and Keyless Start (1 of 2) (Buick)

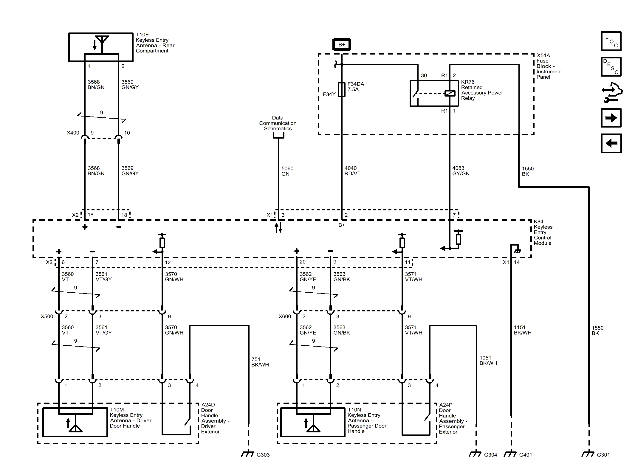
Keyless Entry - Passive Entry and Keyless Start (1 of 2) (Buick)

Fig 1: Keyless Entry - Passive Entry and Keyless Start (1 of 2) (Buick)
GM4491509Courtesy of GENERAL MOTORS COMPANY