LEMON Manuals: Even more car manuals for everyone
Home >> Buick >> 2017 >> Cascada Base >> Repair and Diagnosis (Single Page) >> Accessories & Equipment >> Infotainment >> Cellular System, Entertainment System, And Navigation System >> Schematic and Wiring Diagrams >> Radio/Navigation System Wiring Schematics >> Navigation System

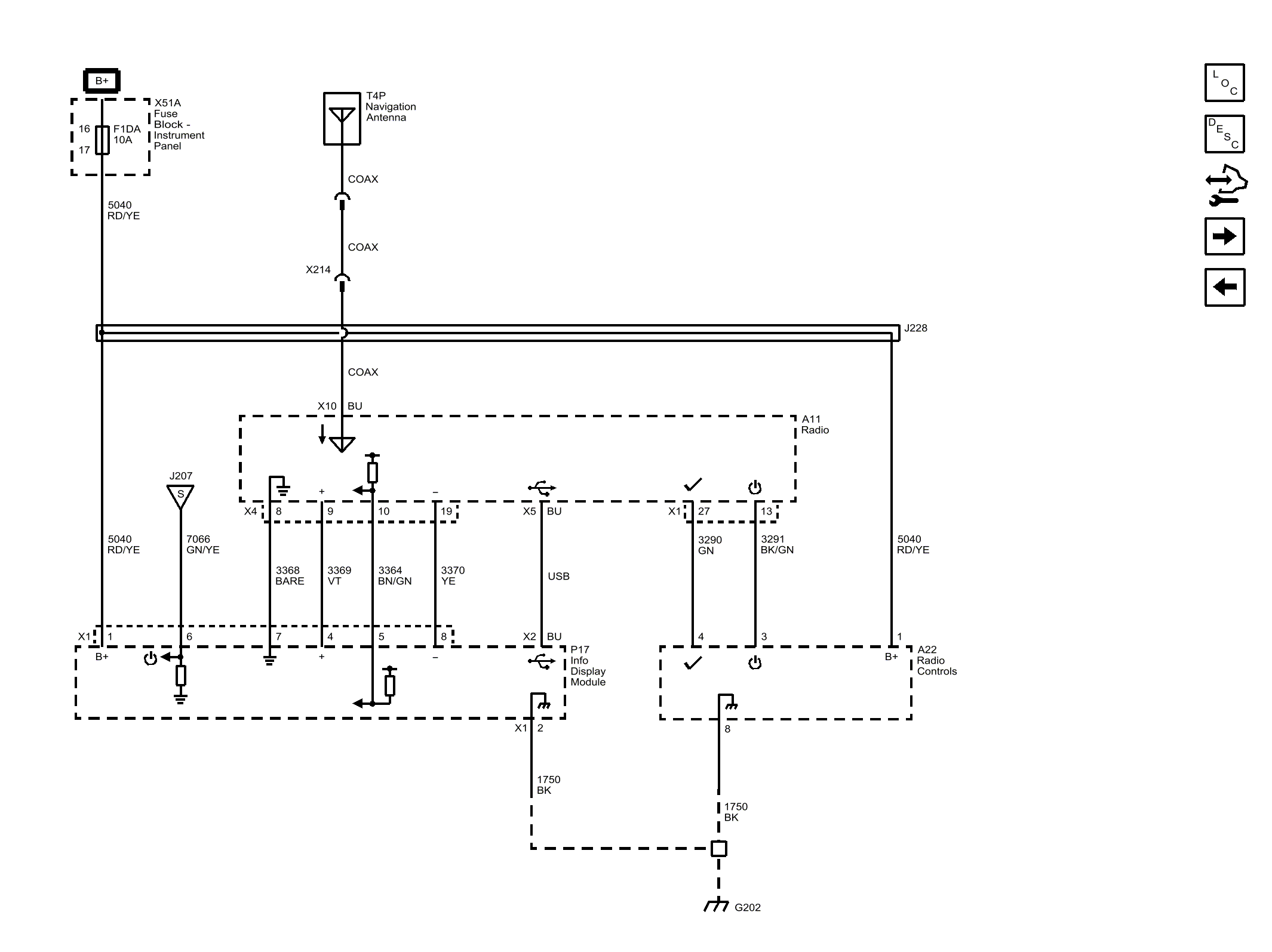
Navigation System

GM4890120