LEMON Manuals: Even more car manuals for everyone
Home >> Buick >> 2017 >> Cascada Base >> Repair and Diagnosis (Single Page) >> Accessories & Equipment >> Entertainment Systems >> Cellular System, Entertainment System, And Navigation System >> Schematic and Wiring Diagrams >> Radio/Navigation System Wiring Schematics >> Power, Ground and Serial Data

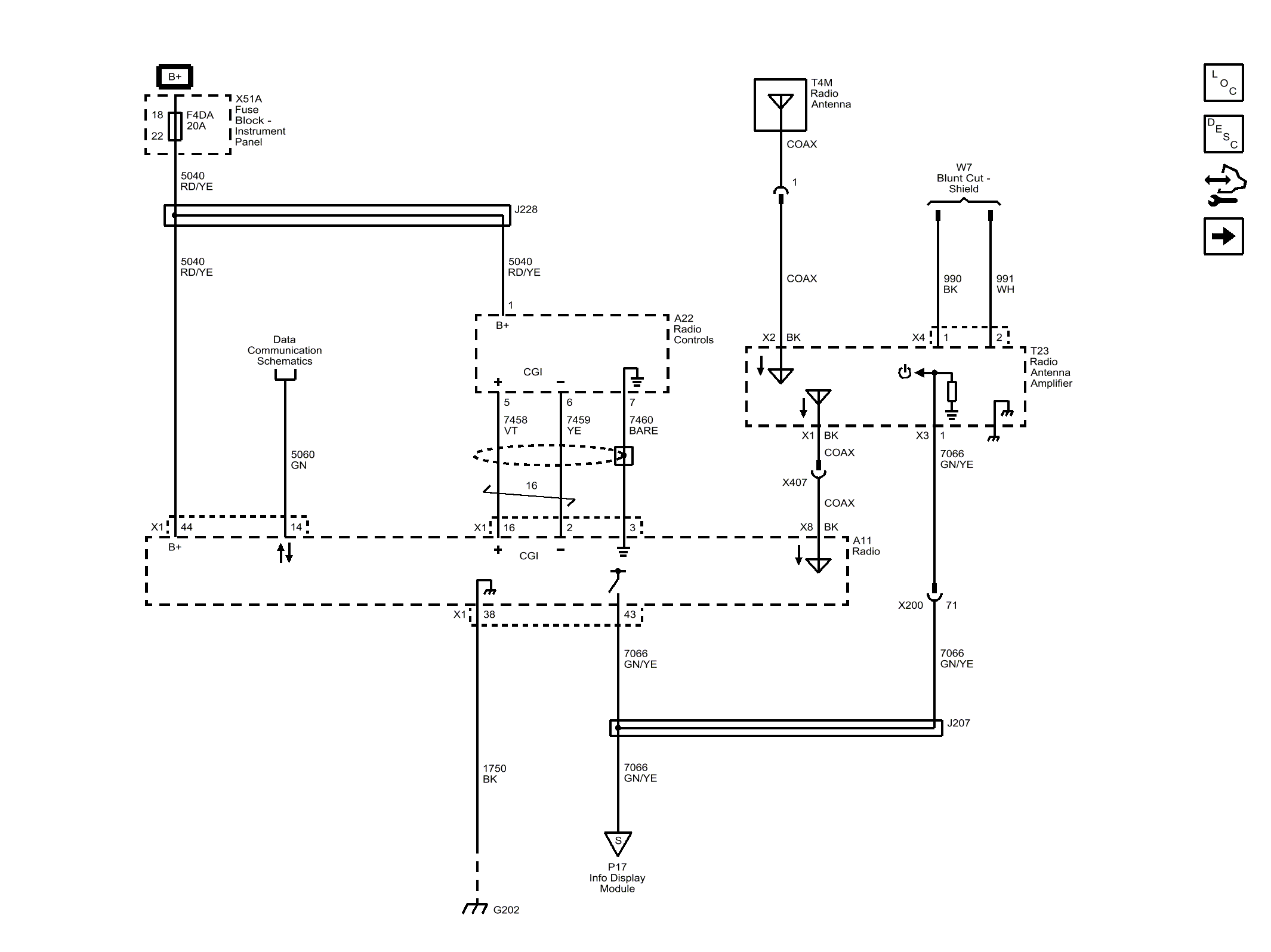
Power, Ground and Serial Data

GM4890116