LEMON Manuals: Even more car manuals for everyone
Home >> Buick >> 2016 >> Verano Base, Gas >> Repair and Diagnosis >> External Pages >> Different car >> Section 40 (Object Detection System - Park Assist System) >> Schematic Wiring Diagrams >> Object Detection Wiring Schematics >> Rear Vision Camera (UVC)

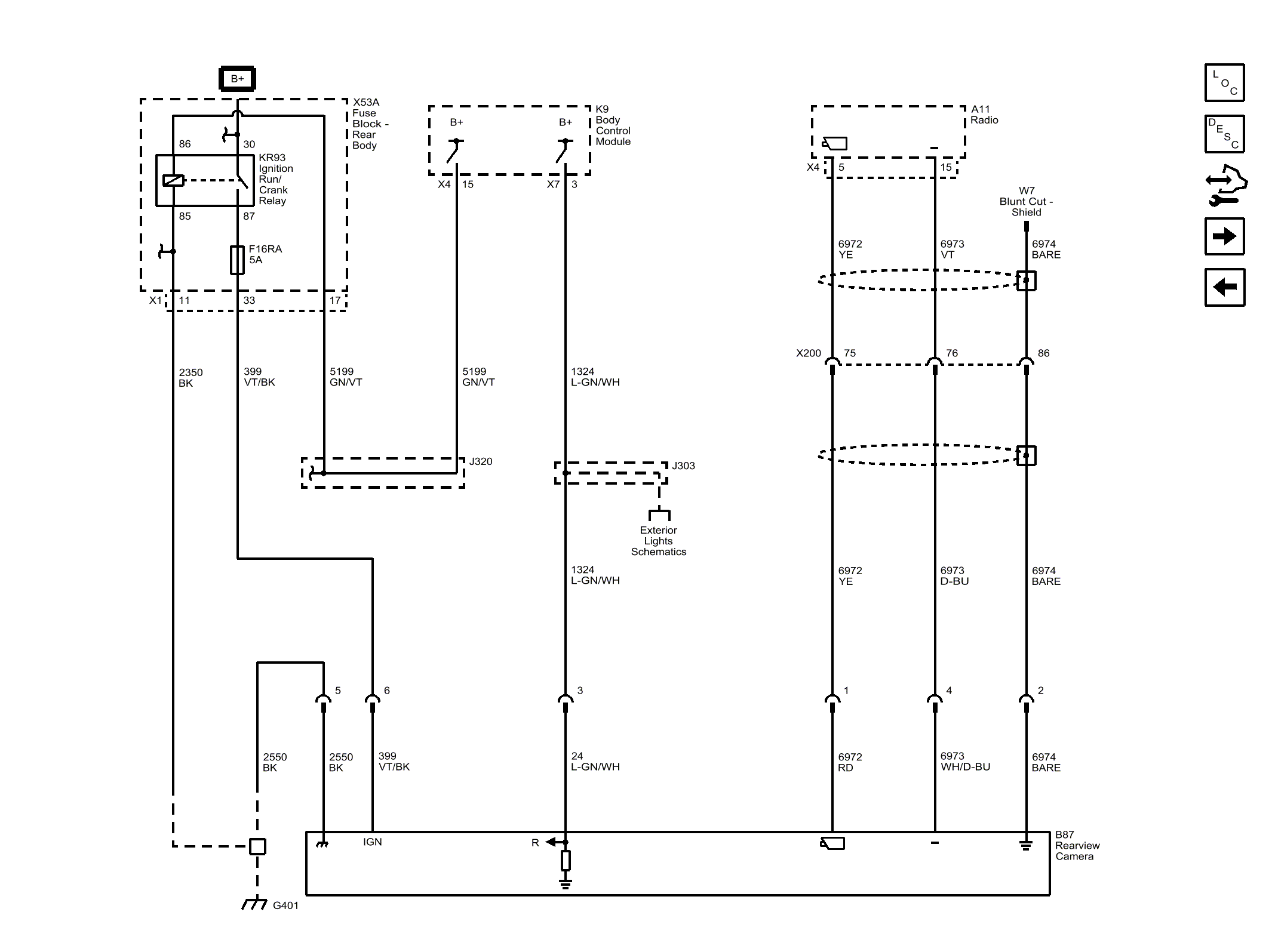
Rear Vision Camera (UVC)

WARNING: This page is about a different car, the 2015 Buick Verano. However, it is still accessible from the selected car via links, so may be relevant.
Fig 1: Rear Vision Camera (UVC)
GM3802174Courtesy of GENERAL MOTORS COMPANY