LEMON Manuals: Even more car manuals for everyone
Home >> Buick >> 2016 >> Verano Base, Gas/Ethanol >> Repair and Diagnosis >> External Pages >> Different car >> Section 75 (Cellular System, Entertainment System, And Navigation System) >> Schematic Wiring Diagrams >> OnStar/Telematics Wiring Schematics >> Power, Ground, Serial Data, Microphone, and Display (UE1)

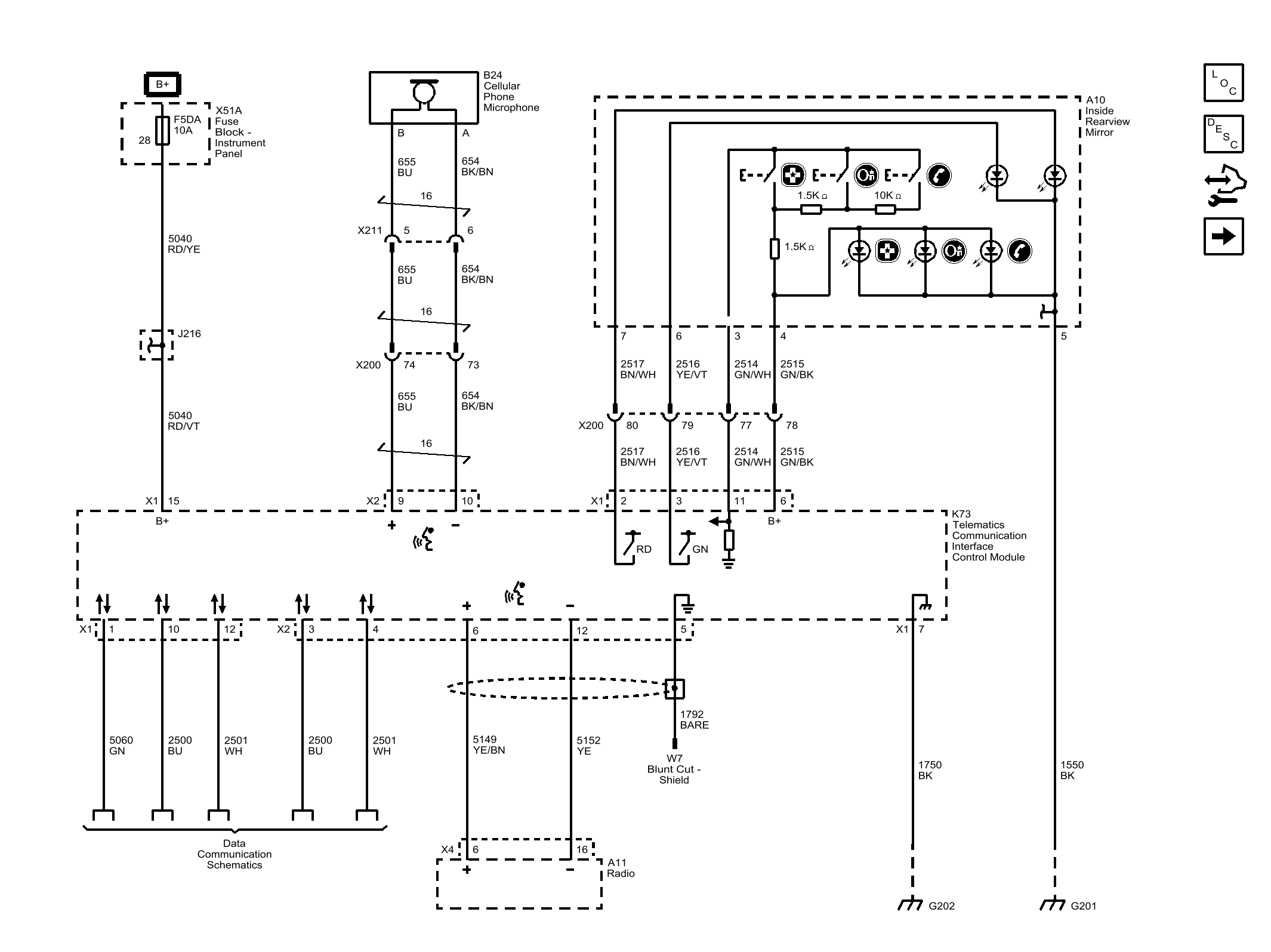
Power, Ground, Serial Data, Microphone, and Display (UE1)

WARNING: This page is about a different car, the 2015 Buick Verano. However, it is still accessible from the selected car via links, so may be relevant.
Fig 1: Power, Ground, Serial Data, Microphone, and Display (UE1)
GM3802022Courtesy of GENERAL MOTORS COMPANY