LEMON Manuals: Even more car manuals for everyone
Home >> Buick >> 2016 >> Verano Base, Gas/Ethanol >> Repair and Diagnosis >> Accessories & Equipment >> Memory Modules >> Secondary And Configurable Customer Control System >> Schematic Wiring Diagrams >> Steering Wheel Secondary/Configurable Control Wiring Schematics >> Steering Wheel Secondary/Configurable Controls

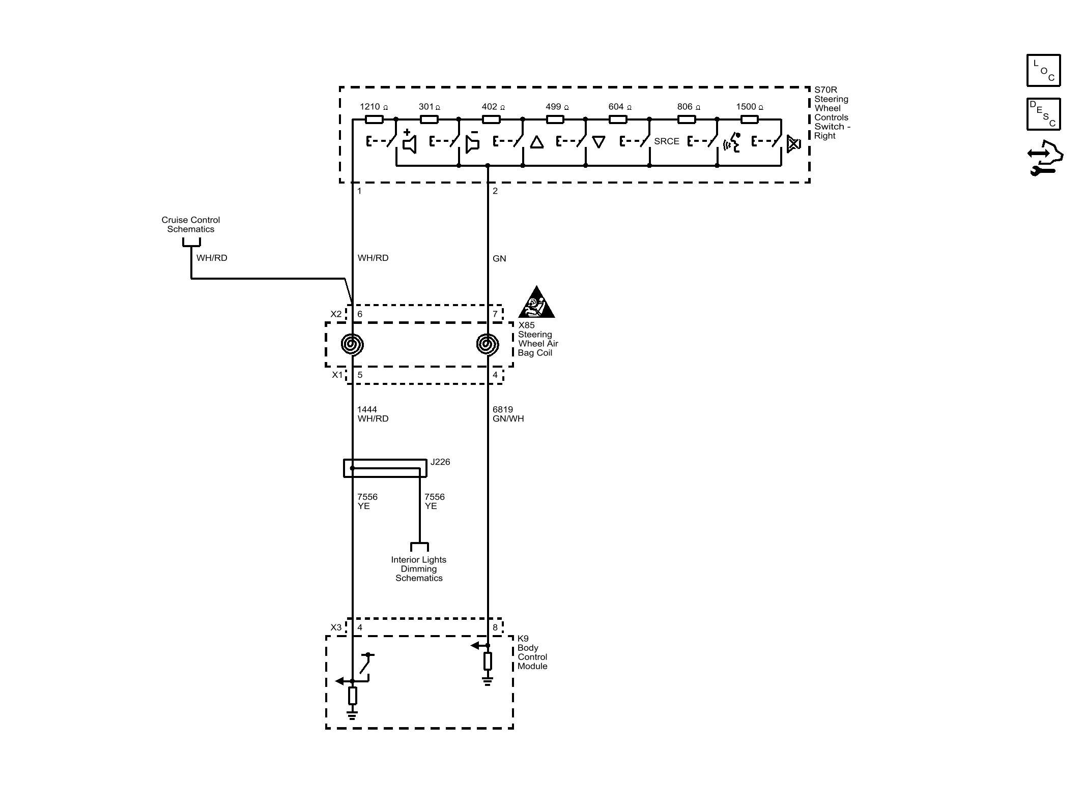
Steering Wheel Secondary/Configurable Controls

Fig 1: Steering Wheel Secondary/Configurable Controls
GM4082278Courtesy of GENERAL MOTORS COMPANY