LEMON Manuals: Even more car manuals for everyone
Home >> Buick >> 2016 >> Verano Base, Gas/Ethanol >> Repair and Diagnosis >> Accessories & Equipment >> Entertainment Systems >> Cellular System, Entertainment System, And Navigation System >> Schematic Wiring Diagrams >> Radio/Navigation System Wiring Schematics >> Auxiliary Audio Input

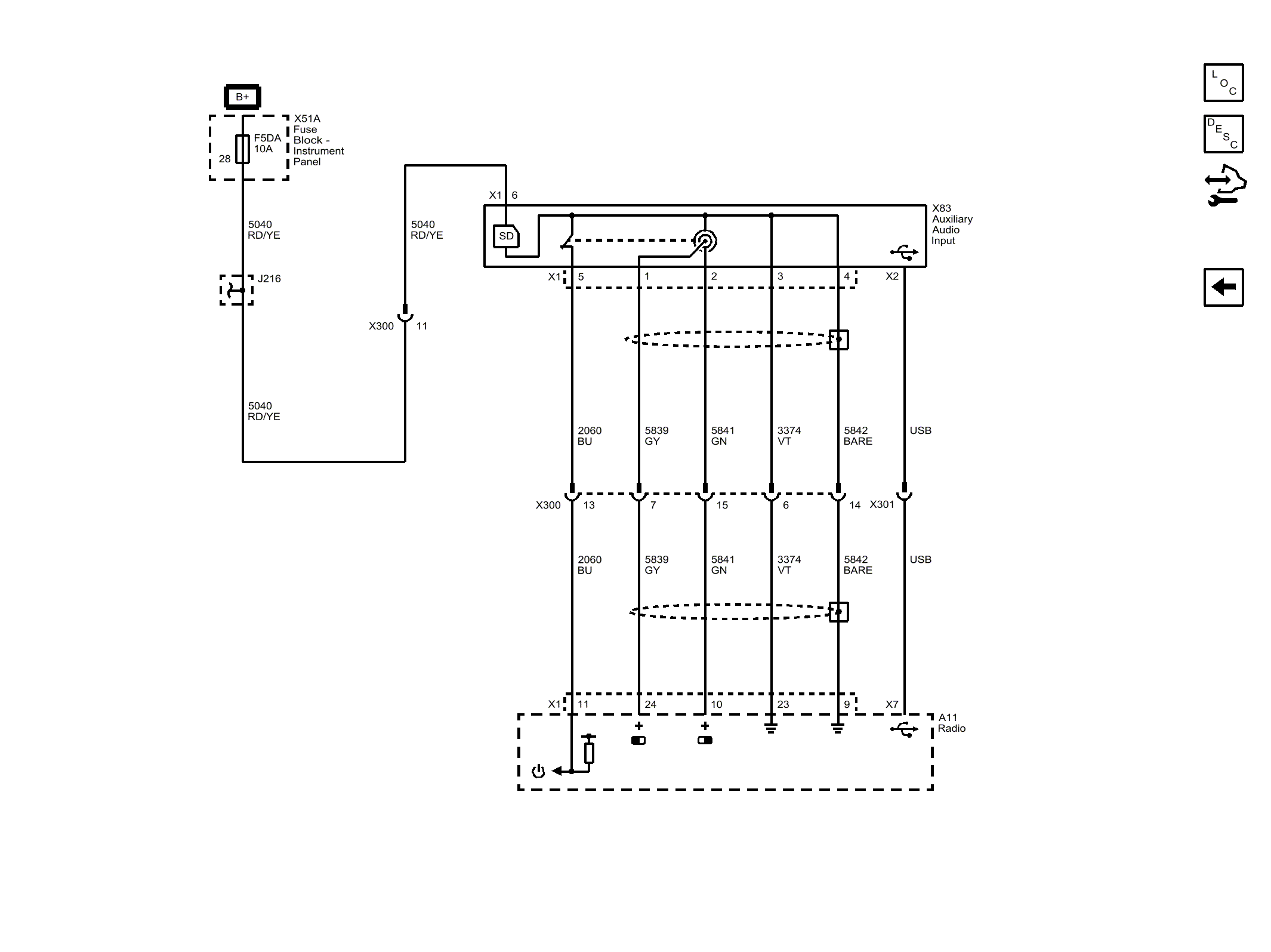
Auxiliary Audio Input

Fig 1: Auxiliary Audio Input
GM4082265Courtesy of GENERAL MOTORS COMPANY