LEMON Manuals: Even more car manuals for everyone
Home >> Buick >> 2016 >> Envision >> Repair and Diagnosis >> External Pages >> Different car >> Section 215 (Keyless Entry System And Remote Functions) >> Schematic Wiring Diagrams >> Remote Function Wiring Schematics >> Keyless Entry - Passive Entry (ATH), Passive Start (BTM)

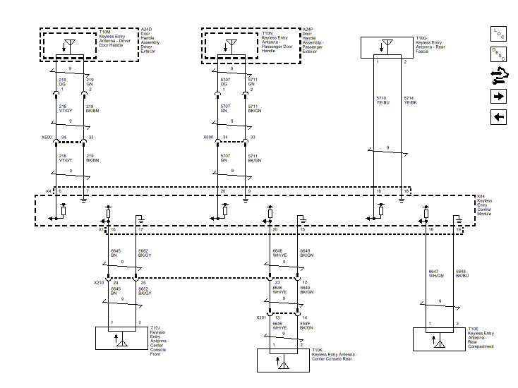
Keyless Entry - Passive Entry (ATH), Passive Start (BTM)

WARNING: This page is about a different car, the 2016 Buick LaCrosse. However, it is still accessible from the selected car via links, so may be relevant.
Fig 1: Keyless Entry - Passive Entry (ATH), Passive Start (BTM)
GM4113355Courtesy of GENERAL MOTORS COMPANY