LEMON Manuals: Even more car manuals for everyone
Home >> Buick >> 2016 >> Envision >> Repair and Diagnosis >> External Pages >> Different car >> Section 199 (Object Detection System) >> Schematic Wiring Diagrams >> Object Detection Wiring Schematics >> Rear Cross Traffic Alert (UFG) and Side Object Detection (UKC)

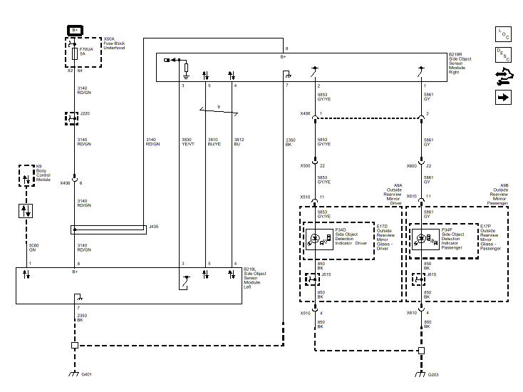
Rear Cross Traffic Alert (UFG) and Side Object Detection (UKC)

WARNING: This page is about a different car, the 2016 Buick LaCrosse. However, it is still accessible from the selected car via links, so may be relevant.
Fig 1: Rear Cross Traffic Alert (UFG) and Side Object Detection (UKC)
GM4113243Courtesy of GENERAL MOTORS COMPANY