LEMON Manuals: Even more car manuals for everyone
Home >> Buick >> 2016 >> Envision >> Repair and Diagnosis >> External Pages >> Different car >> Section 180 (Cellular System, Entertainment System, And Navigation System) >> Schematic Wiring Diagrams >> OnStar/Telematics Wiring Schematics >> Module Power, Ground, Serial Data, Antennas, and Subsystem References (without CZ2)

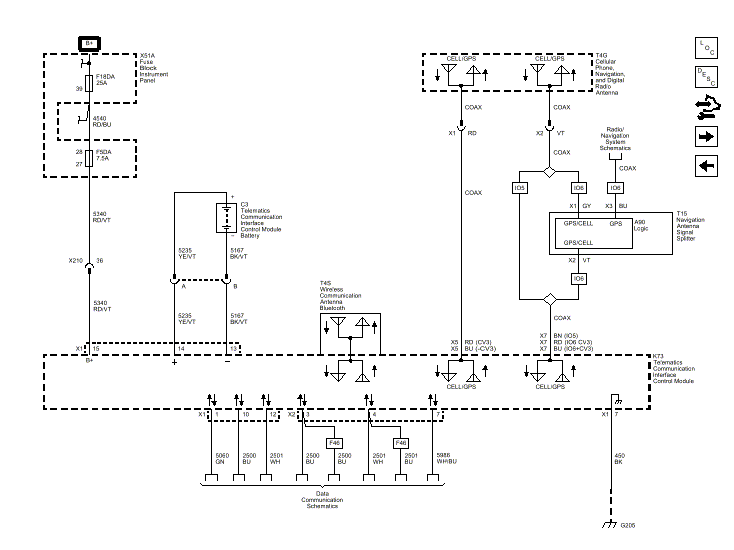
Module Power, Ground, Serial Data, Antennas, and Subsystem References (without CZ2)

WARNING: This page is about a different car, the 2016 Buick LaCrosse. However, it is still accessible from the selected car via links, so may be relevant.
Fig 1: Module Power, Ground, Serial Data, Antennas, and Subsystem References (without CZ2)
GM4113254Courtesy of GENERAL MOTORS COMPANY