LEMON Manuals: Even more car manuals for everyone
Home >> Buick >> 2016 >> Envision >> Repair and Diagnosis >> Engine Performance >> System >> Data Communication System >> Schematic Wiring Diagrams >> Data Communication Wiring Schematics >> MOST Communication Bus

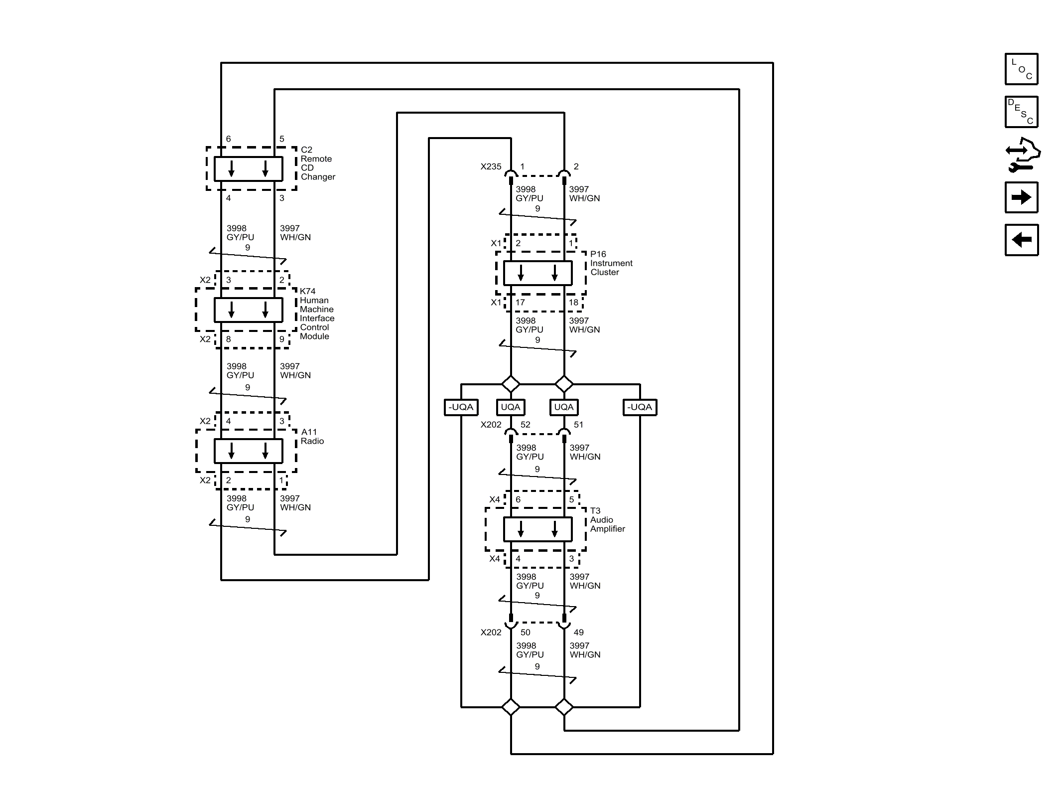
MOST Communication Bus

Fig 1: MOST Communication Bus
GM3996790Courtesy of GENERAL MOTORS COMPANY