LEMON Manuals: Even more car manuals for everyone
Home >> Buick >> 2016 >> Envision >> Repair and Diagnosis >> Accessories & Equipment >> Memory Modules >> Secondary And Configurable Customer Control System >> Schematic Wirting Diagrams >> Steering Wheel Secondary/Configurable Control Wiring Schematics >> Steering Wheel Secondary/Configurable Control

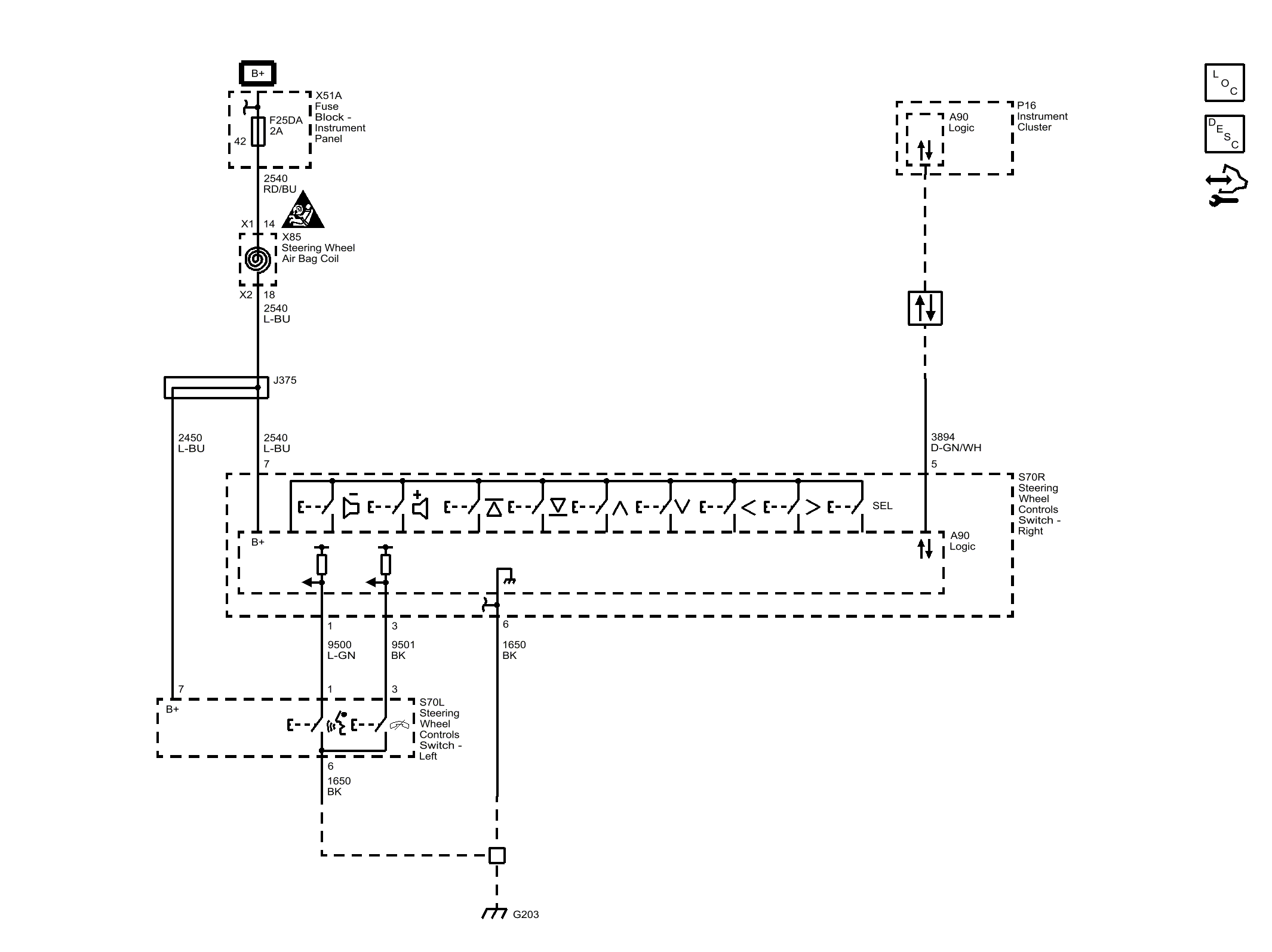
Steering Wheel Secondary/Configurable Control

Fig 1: Steering Wheel Secondary/Configurable Control
GM3997066Courtesy of GENERAL MOTORS COMPANY