LEMON Manuals: Even more car manuals for everyone
Home >> Buick >> 2016 >> Envision >> Repair and Diagnosis >> Accessories & Equipment >> Entertainment Systems >> Cellular System, Entertainment System, And Navigation System >> Schematic Wiring Diagrams >> Radio/Navigation System Wiring Schematics >> Auxiliary Audio Input - Power, Ground, and Connections

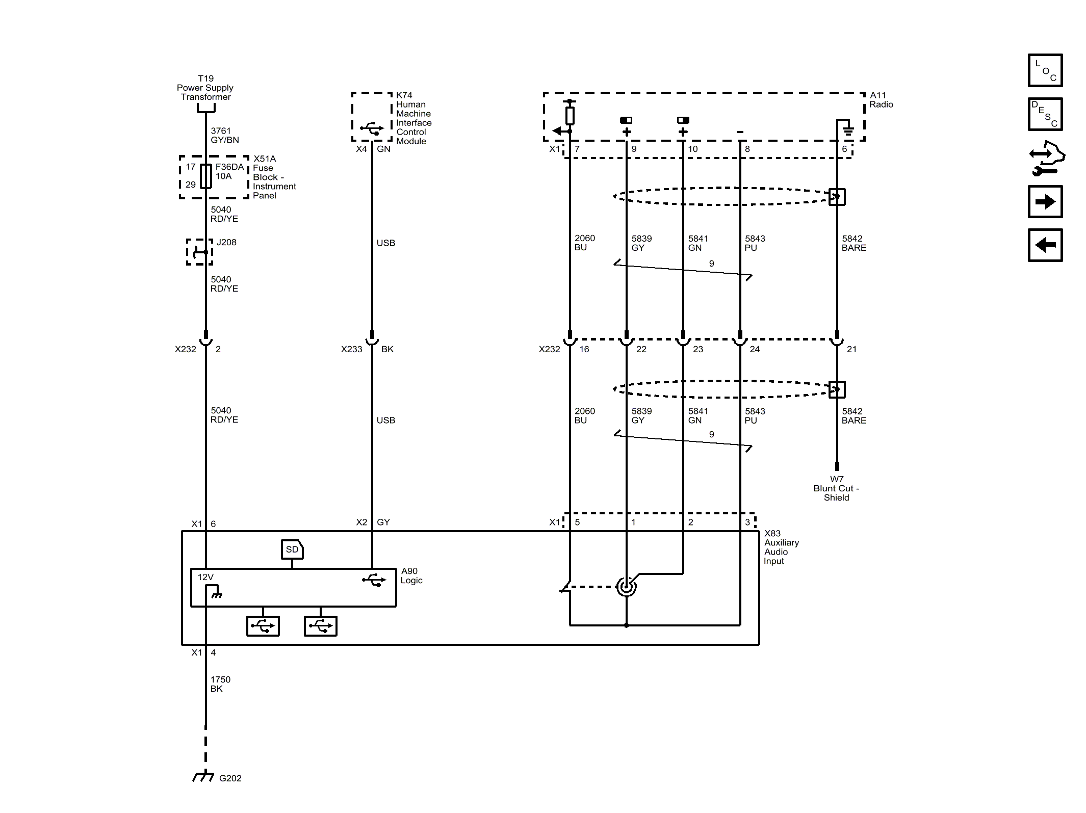
Auxiliary Audio Input - Power, Ground, and Connections

Fig 1: Auxiliary Audio Input - Power, Ground, and Connections
GM3997046Courtesy of GENERAL MOTORS COMPANY