LEMON Manuals: Even more car manuals for everyone
Home >> Buick >> 2016 >> Envision >> Repair and Diagnosis >> Accessories & Equipment >> Drivers Assistance Systems - ADAS >> Object Detection System And Pedestrian Protection System >> Schematic Wiring Diagrams >> Object Detection Wiring Schematics >> Safety Alert Seat (UEU and UHX)

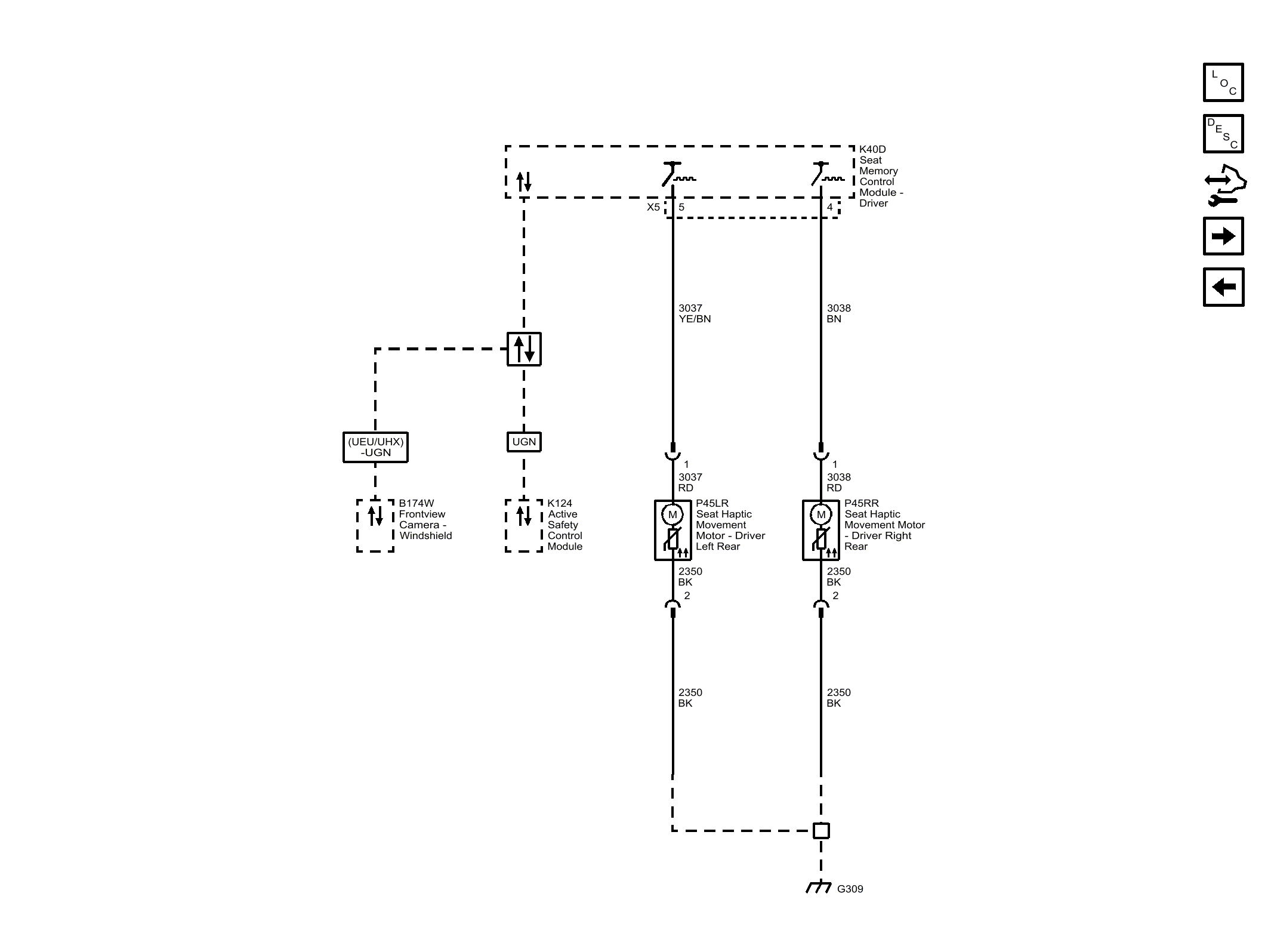
Safety Alert Seat (UEU and UHX)

Fig 1: Safety Alert Seat (UEU and UHX)
GM4282402Courtesy of GENERAL MOTORS COMPANY