LEMON Manuals: Even more car manuals for everyone
Home >> Buick >> 2016 >> Envision >> Repair and Diagnosis >> Accessories & Equipment >> Drivers Assistance Systems - ADAS >> Object Detection System And Pedestrian Protection System >> Schematic Wiring Diagrams >> Object Detection Wiring Schematics >> 360 Degree Vision - Power, Ground, and Serial Data (UVH)

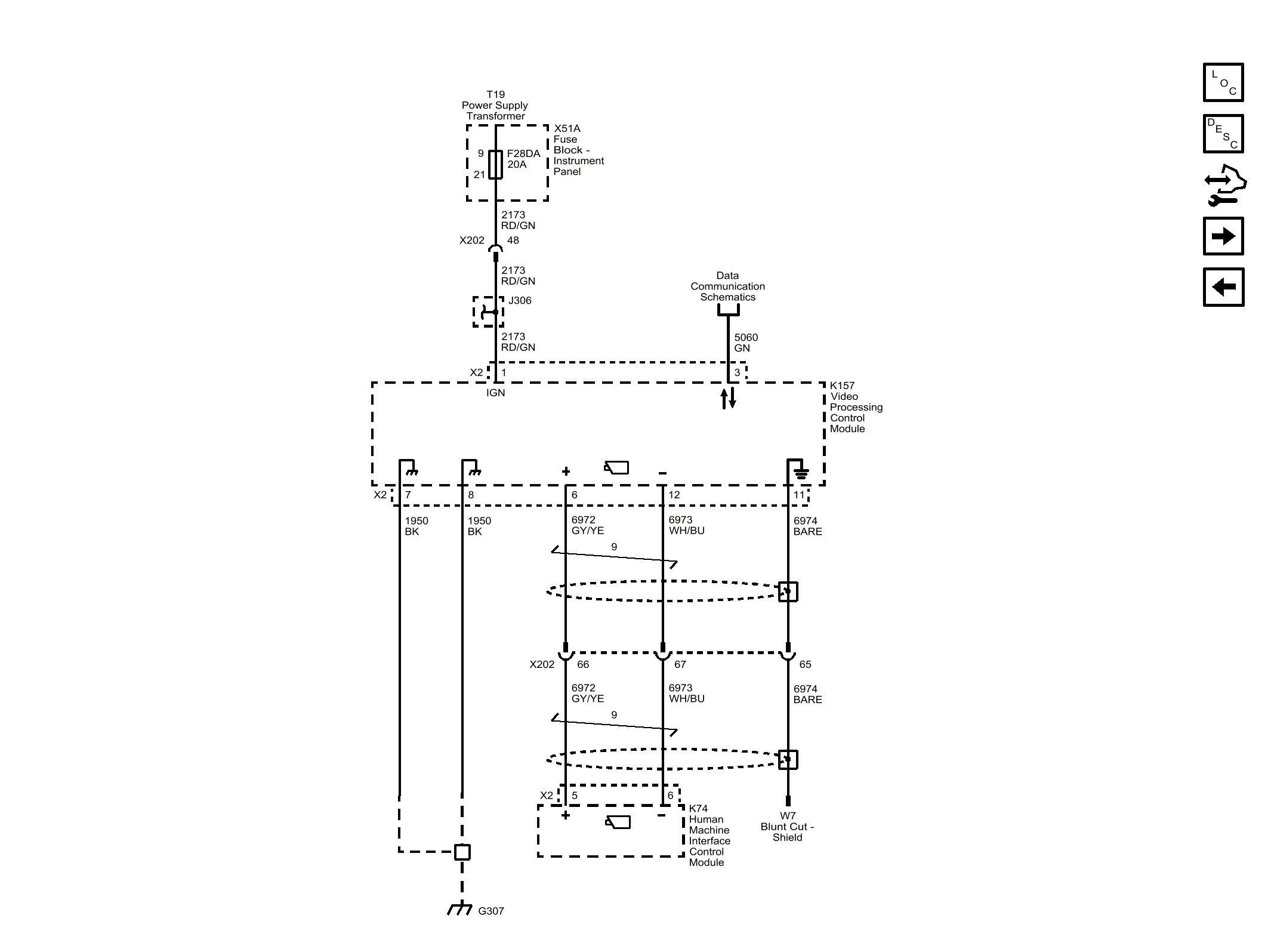
360 Degree Vision - Power, Ground, and Serial Data (UVH)

Fig 1: 360 Degree Vision - Power, Ground, and Serial Data (UVH)
GM4057946Courtesy of GENERAL MOTORS COMPANY