LEMON Manuals: Even more car manuals for everyone
Home >> Buick >> 2016 >> Envision >> Repair and Diagnosis >> Accessories & Equipment >> Collision/Avoidance >> Object Detection System And Pedestrian Protection System >> Schematic Wiring Diagrams >> Object Detection Wiring Schematics >> Park Assist - Module Power, Ground, Serial Data, and Controls

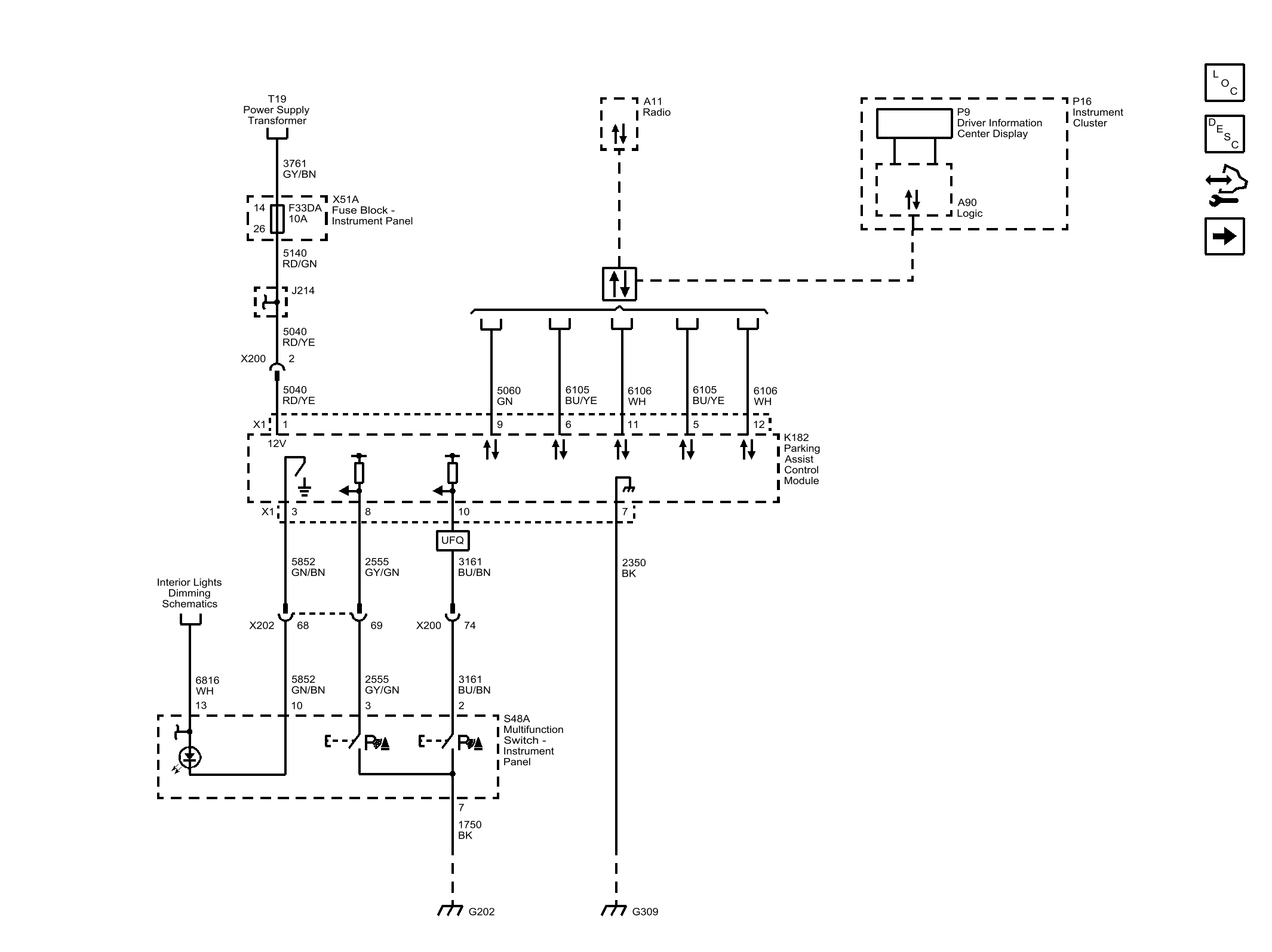
Park Assist - Module Power, Ground, Serial Data, and Controls

Fig 1: Park Assist - Module Power, Ground, Serial Data, and Controls
GM3997106Courtesy of GENERAL MOTORS COMPANY