LEMON Manuals: Even more car manuals for everyone
Home >> Buick >> 2016 >> Encore Base, FWD >> Repair and Diagnosis (Single Page) >> Accessories & Equipment >> Entertainment Systems >> Cellular System, Entertainment System, And Navigation System >> Schematic Wiring Diagrams >> Radio/Navigation System WiringSchematics (Trax) >> Power, Ground, Serial Data, Antenna, and Audio/Video Inputs (Trax)

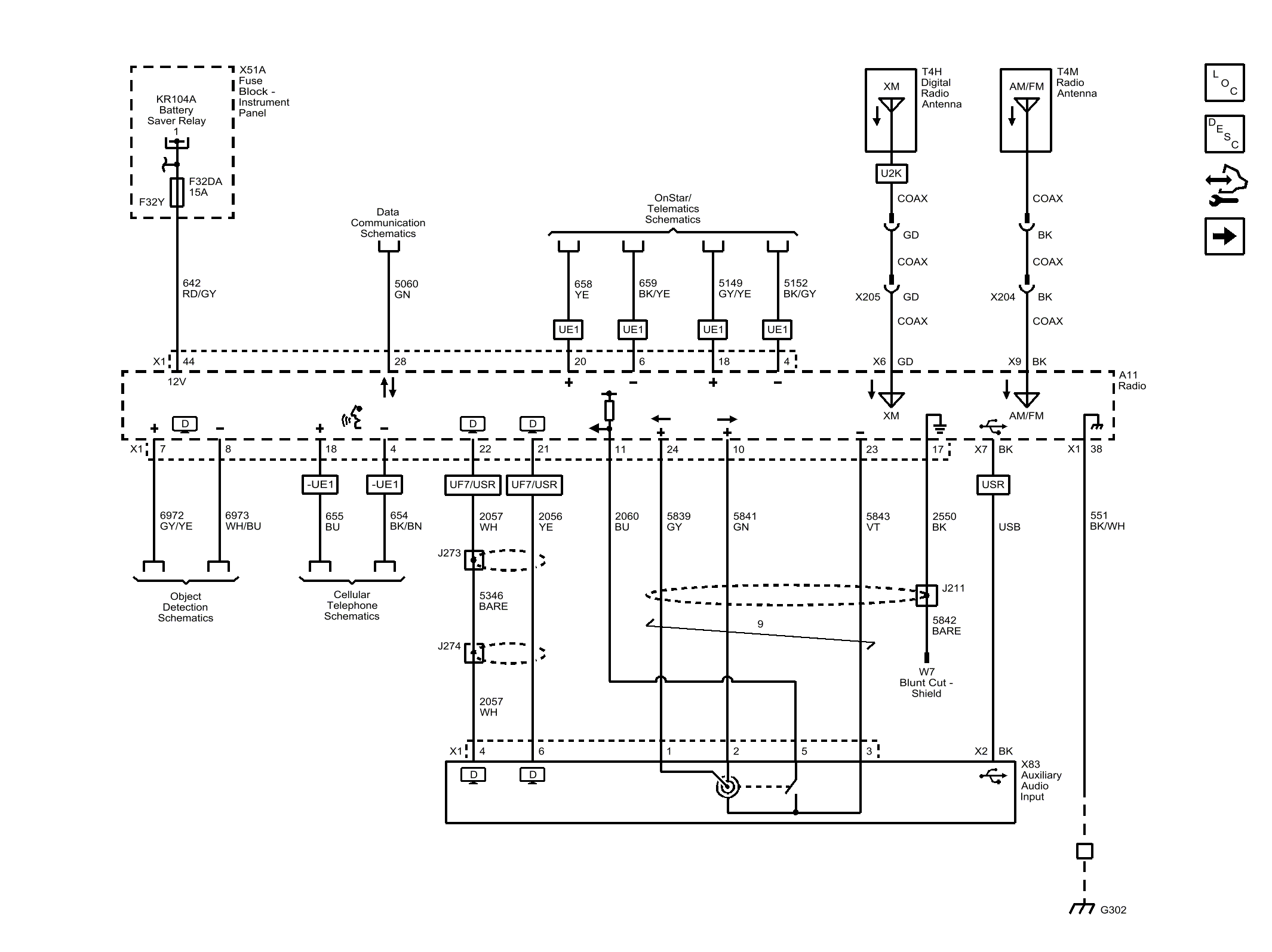
Power, Ground, Serial Data, Antenna, and Audio/Video Inputs (Trax)

Fig 1: Power, Ground, Serial Data, Antenna, and Audio/Video Inputs (Trax)
GM3989310Courtesy of GENERAL MOTORS COMPANY