LEMON Manuals: Even more car manuals for everyone
Home >> Buick >> 2016 >> Encore Base, FWD >> Repair and Diagnosis (Single Page) >> Accessories & Equipment >> Drivers Assistance Systems - ADAS >> Object Detection System And Pedestrian Protection System >> Schematic Wiring Diagrams >> Object Detection Wiring Schematics (Trax) >> Rearview Camera (Trax with UVC)

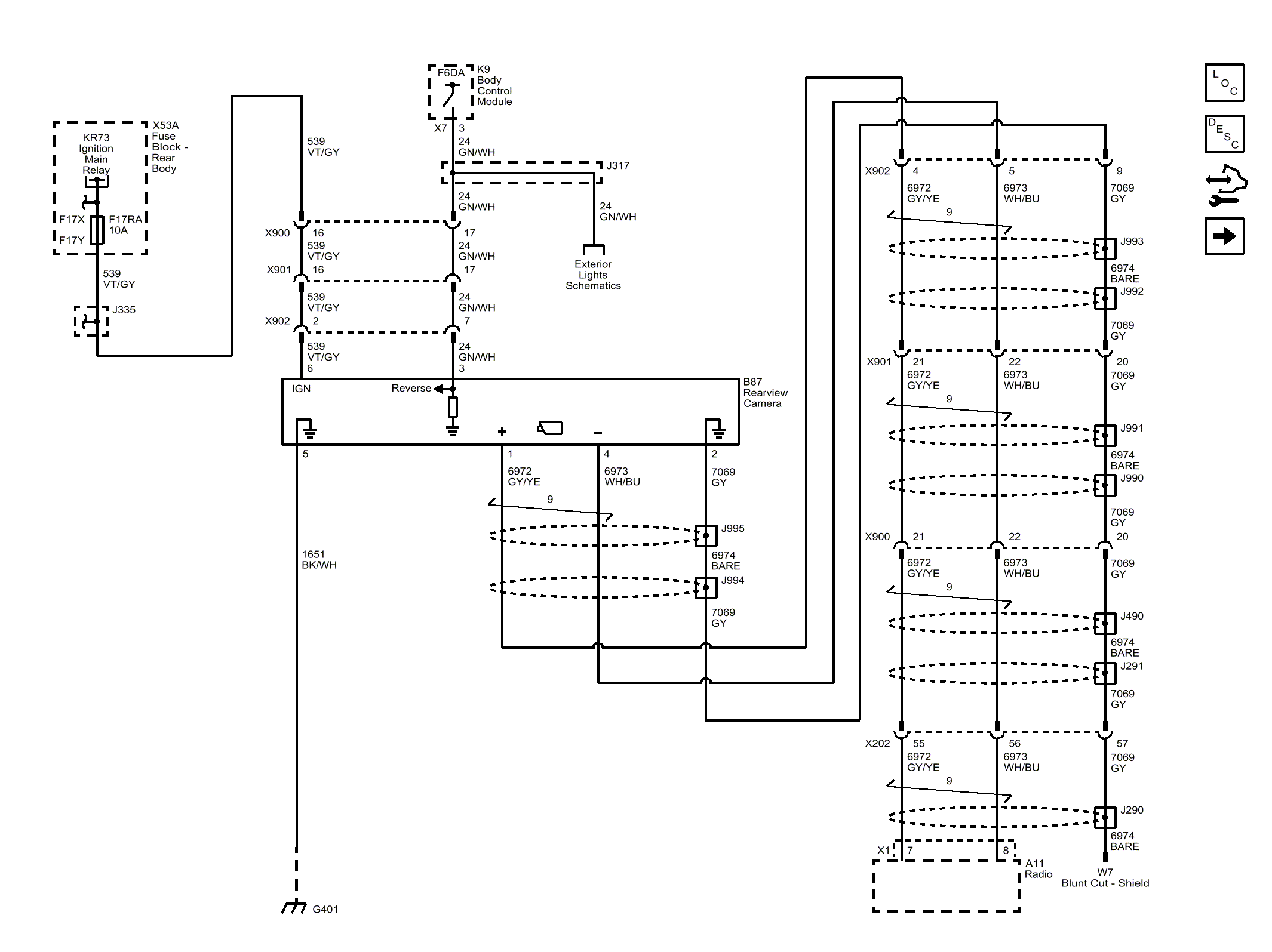
Rearview Camera (Trax with UVC)

Fig 1: Rearview Camera (Trax with UVC)
GM3989406Courtesy of GENERAL MOTORS COMPANY