LEMON Manuals: Even more car manuals for everyone
Home >> Buick >> 2016 >> Encore Base, AWD >> Repair and Diagnosis >> External Pages >> Different car >> Section 61 (Cellular System, Entertainment System, And Navigation System) >> Schematic Wiring Diagrams >> Radio/Navigation System Wiring Schematics (Trax) >> Power, Ground, Serial Data, Antenna, and Audio/Video Inputs (Trax)

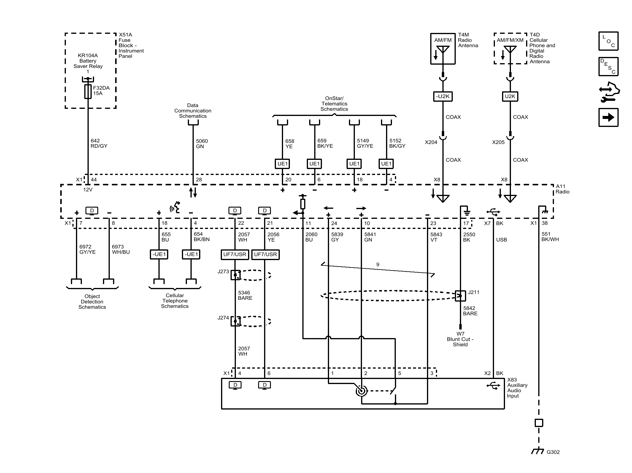
Power, Ground, Serial Data, Antenna, and Audio/Video Inputs (Trax)

WARNING: This page is about a different car, the 2015 Chevrolet Trax and 2015 Buick Encore. However, it is still accessible from the selected car via links, so may be relevant.
Fig 1: Power, Ground, Serial Data, Antenna, and Audio/Video Inputs (Trax)
GM3693040Courtesy of GENERAL MOTORS COMPANY