LEMON Manuals: Even more car manuals for everyone
Home >> Buick >> 2016 >> Cascada Base >> Repair and Diagnosis >> External Pages >> Different car >> Section 21 (Cellular System, Entertainment System, And Navigation System) >> Schematic Wiring Diagrams >> Radio/Navigation System Wiring Schematics >> Power, Ground, Controls and Serial Data (UYE)

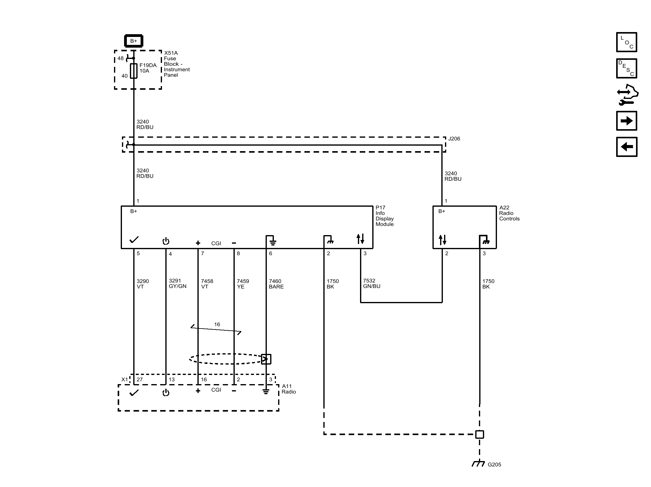
Power, Ground, Controls and Serial Data (UYE)

WARNING: This page is about a different car, the 2016 Chevrolet Malibu Limited. However, it is still accessible from the selected car via links, so may be relevant.
Fig 1: Power, Ground, Controls and Serial Data (UYE)
GM4079729Courtesy of GENERAL MOTORS COMPANY