LEMON Manuals: Even more car manuals for everyone
Home >> Buick >> 2016 >> Cascada Base >> Repair and Diagnosis >> Accessories & Equipment >> Drivers Assistance Systems - ADAS >> Object Detection System And Pedestrian Protection System >> Schematic Wiring Diagrams >> Object Detection Wiring Schematics >> Rear and Side Object Sensors (UD7, UDP or UDQ)

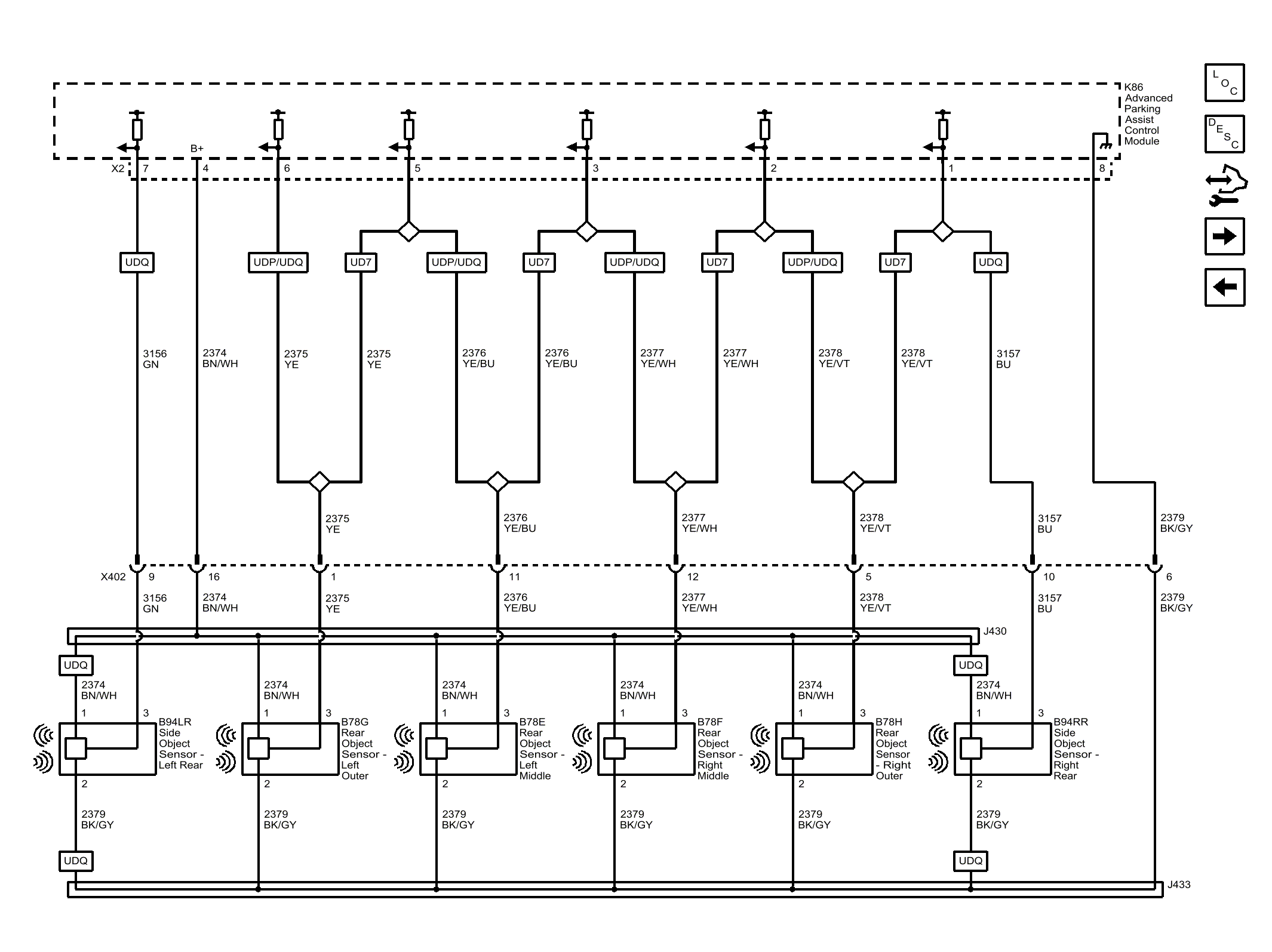
Rear and Side Object Sensors (UD7, UDP or UDQ)

Fig 1: Rear and Side Object Sensors (UD7, UDP or UDQ)
GM4212427Courtesy of GENERAL MOTORS COMPANY