LEMON Manuals: Even more car manuals for everyone
Home >> Buick >> 2016 >> Cascada Base >> Repair and Diagnosis >> Accessories & Equipment >> Drivers Assistance Systems - ADAS >> Object Detection System And Pedestrian Protection System >> Schematic Wiring Diagrams >> Object Detection Wiring Schematics >> Power, Ground, Serial Data, Controls and Display

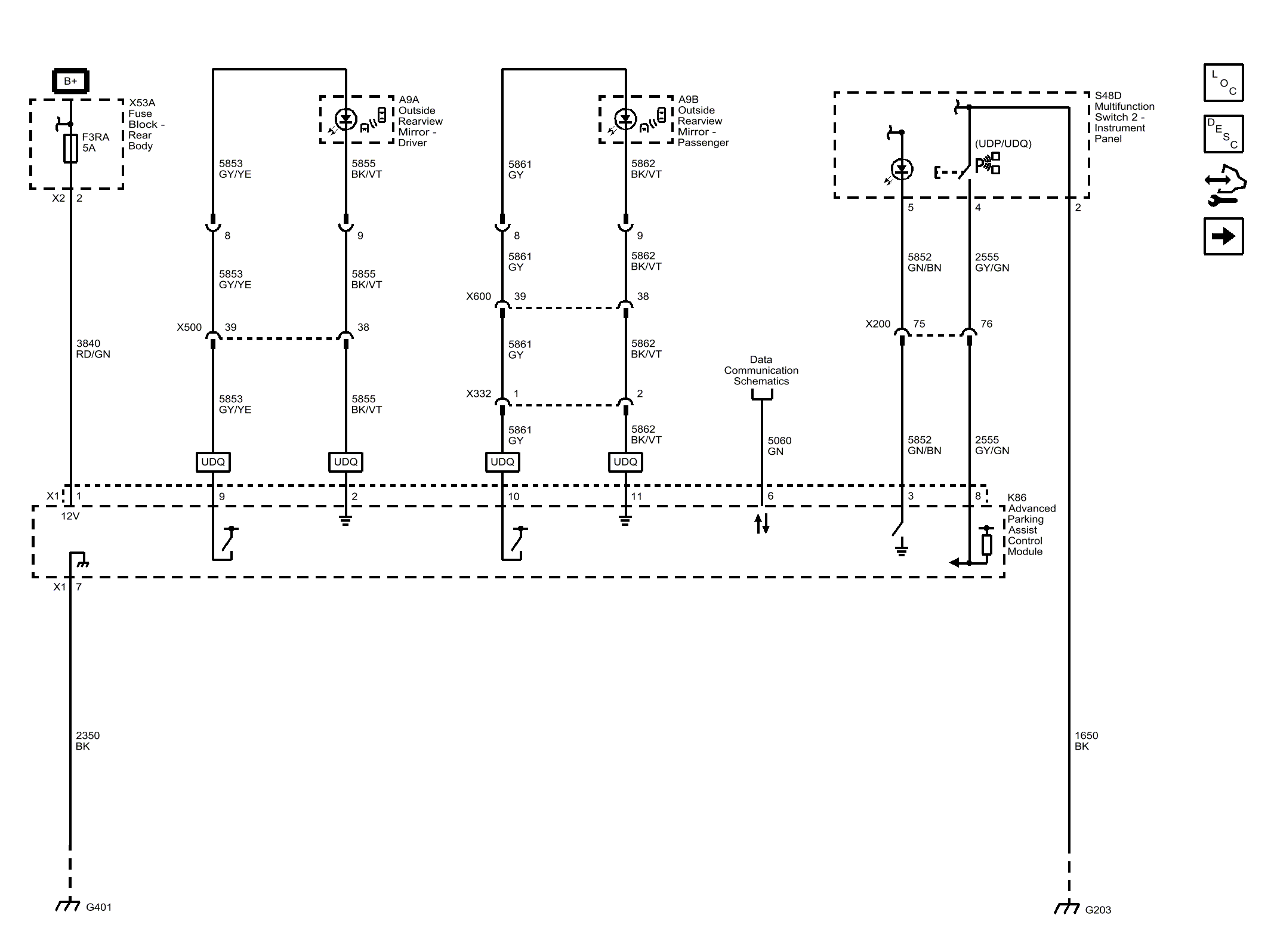
Power, Ground, Serial Data, Controls and Display

Fig 1: Power, Ground, Serial Data, Controls and Display
GM4212424Courtesy of GENERAL MOTORS COMPANY