LEMON Manuals: Even more car manuals for everyone
Home >> Buick >> 2016 >> Cascada Base >> Repair and Diagnosis (Single Page) >> Accessories & Equipment >> Entertainment Systems >> Cellular System, Entertainment System, And Navigation System >> Schematic Wiring Diagrams >> Radio/Navigation System Wiring Schematics >> Navigation System

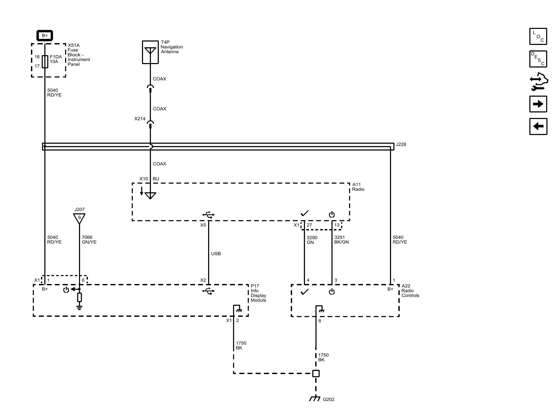
Navigation System

Fig 1: Navigation System
GM4212494Courtesy of GENERAL MOTORS COMPANY