LEMON Manuals: Even more car manuals for everyone
Home >> Buick >> 2015 >> Verano Base >> Repair and Diagnosis >> Engine Performance >> System >> Data Communication System >> Schematic Wiring Diagrams >> Data Communication Wiring Schematics >> High Speed Bus 2

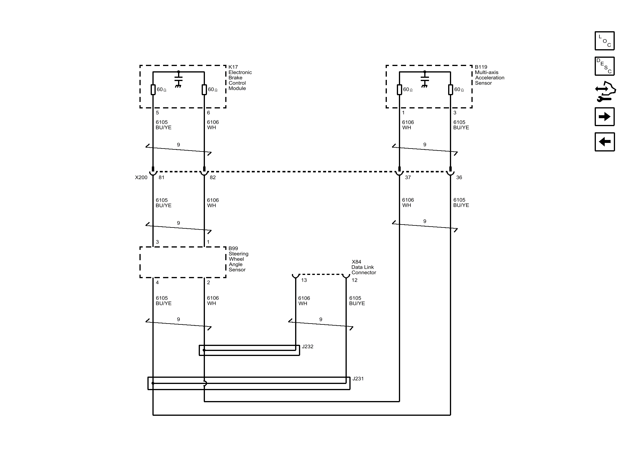
High Speed Bus 2

Fig 1: High Speed Bus 2
GM3802098Courtesy of GENERAL MOTORS COMPANY