LEMON Manuals: Even more car manuals for everyone
Home >> Buick >> 2015 >> Verano Base >> Repair and Diagnosis >> Engine Performance >> System >> Data Communication System >> Schematic Wiring Diagrams >> Data Communication Wiring Schematics >> High Speed Bus 1

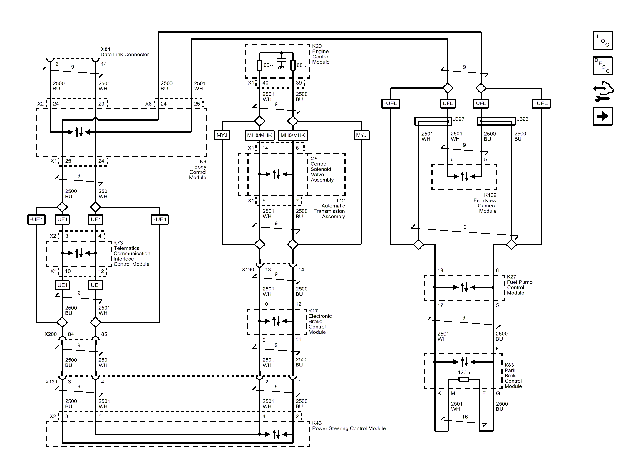
High Speed Bus 1

Fig 1: High Speed Bus 1
GM3802097Courtesy of GENERAL MOTORS COMPANY