LEMON Manuals: Even more car manuals for everyone
Home >> Buick >> 2014 >> Verano Base >> Repair and Diagnosis >> Engine Performance >> System >> Data Communication System >> Schematic Wiring Diagrams >> Data Communication Wiring Schematics >> Low Speed Bus Wiring Schematics

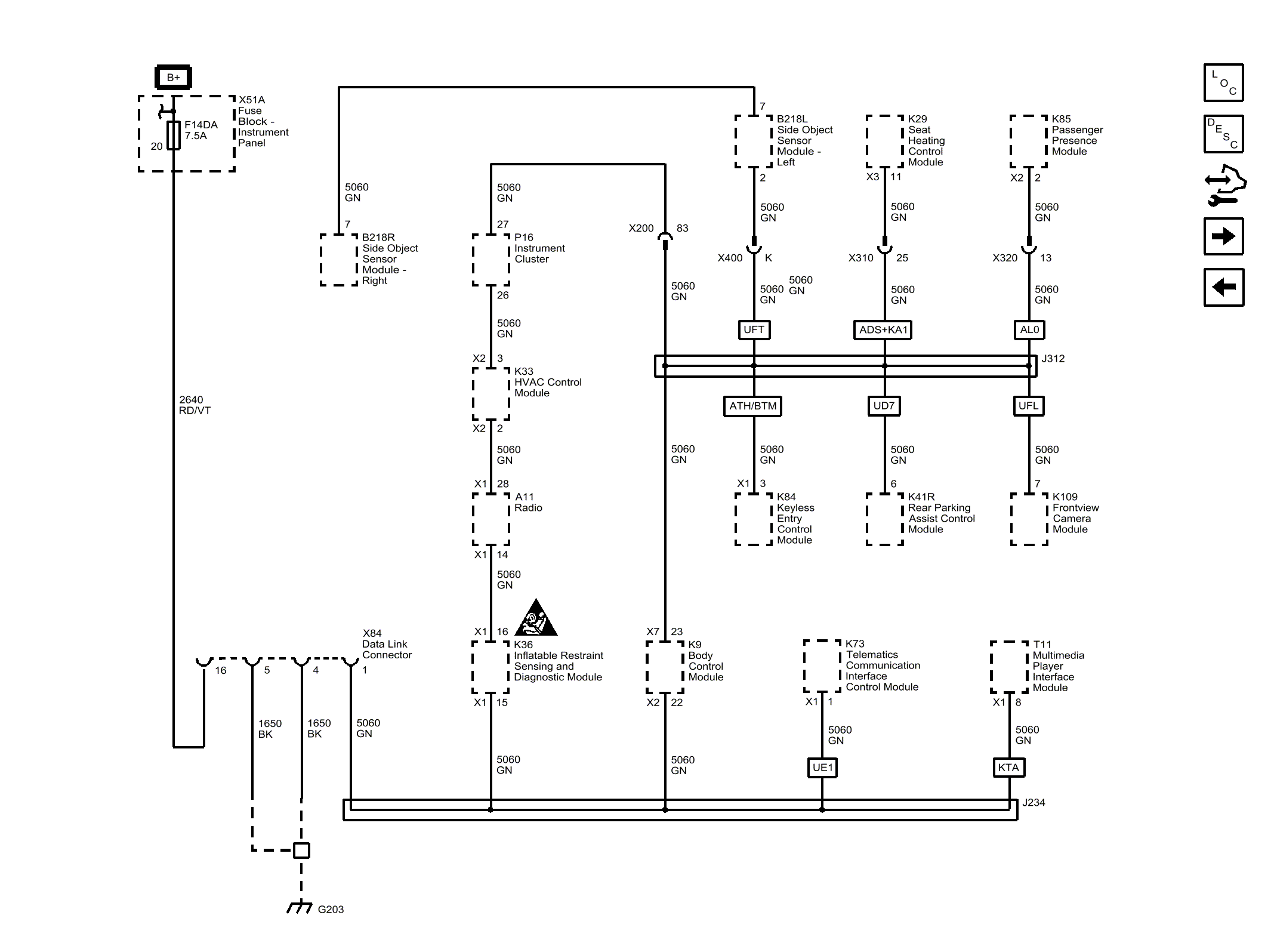
Low Speed Bus Wiring Schematics

Fig 1: Low Speed Bus Wiring Schematic
GM3336849Courtesy of GENERAL MOTORS COMPANY