LEMON Manuals: Even more car manuals for everyone
Home >> Buick >> 2014 >> Verano Base >> Repair and Diagnosis >> Engine Performance >> System >> Data Communication System >> Schematic Wiring Diagrams >> Data Communication Wiring Schematics >> High Speed Bus 2 Wiring Schematics

High Speed Bus 2 Wiring Schematics

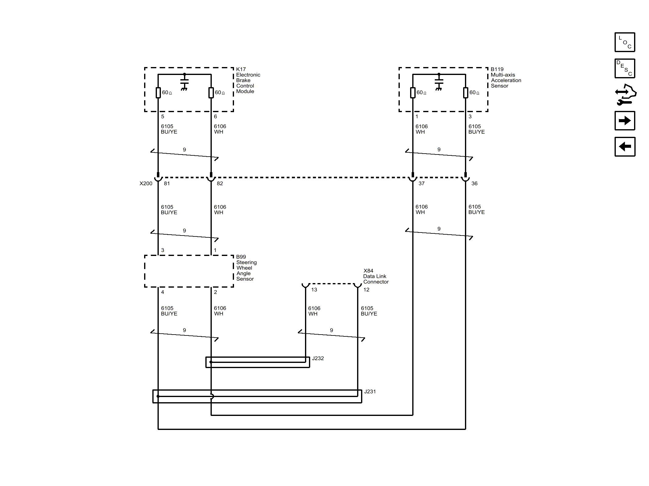
Fig 1: High Speed Bus 2 Wiring Schematic
GM3336856Courtesy of GENERAL MOTORS COMPANY