LEMON Manuals: Even more car manuals for everyone
Home >> Buick >> 2014 >> Verano Base >> Repair and Diagnosis >> Engine Performance >> System >> Data Communication System >> Schematic Wiring Diagrams >> Data Communication Wiring Schematics >> High Speed Bus 1 Wiring Schematics

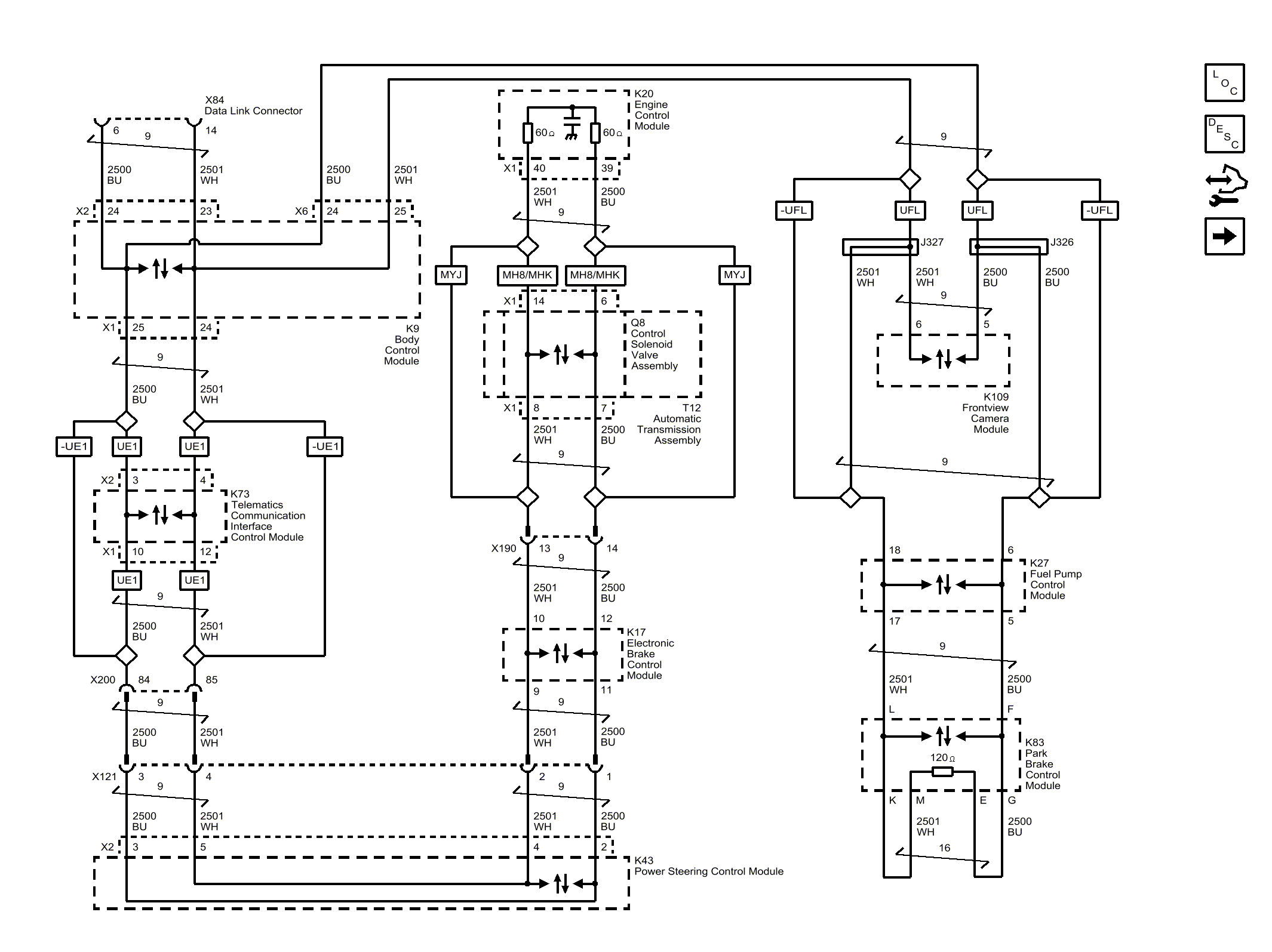
High Speed Bus 1 Wiring Schematics

Fig 1: High Speed Bus 1 Wiring Schematic
GM3336854Courtesy of GENERAL MOTORS COMPANY