LEMON Manuals: Even more car manuals for everyone
Home >> Buick >> 2014 >> Verano Base >> Repair and Diagnosis >> Accessories & Equipment >> Entertainment Systems >> Cellular System, Entertainment System, And Navigation System >> Schematic Wiring Diagrams >> Radio/Navigation System Wiring Schematics >> Power, Ground, Serial Data, Antennas and Display (UAG) Wiring Schematics

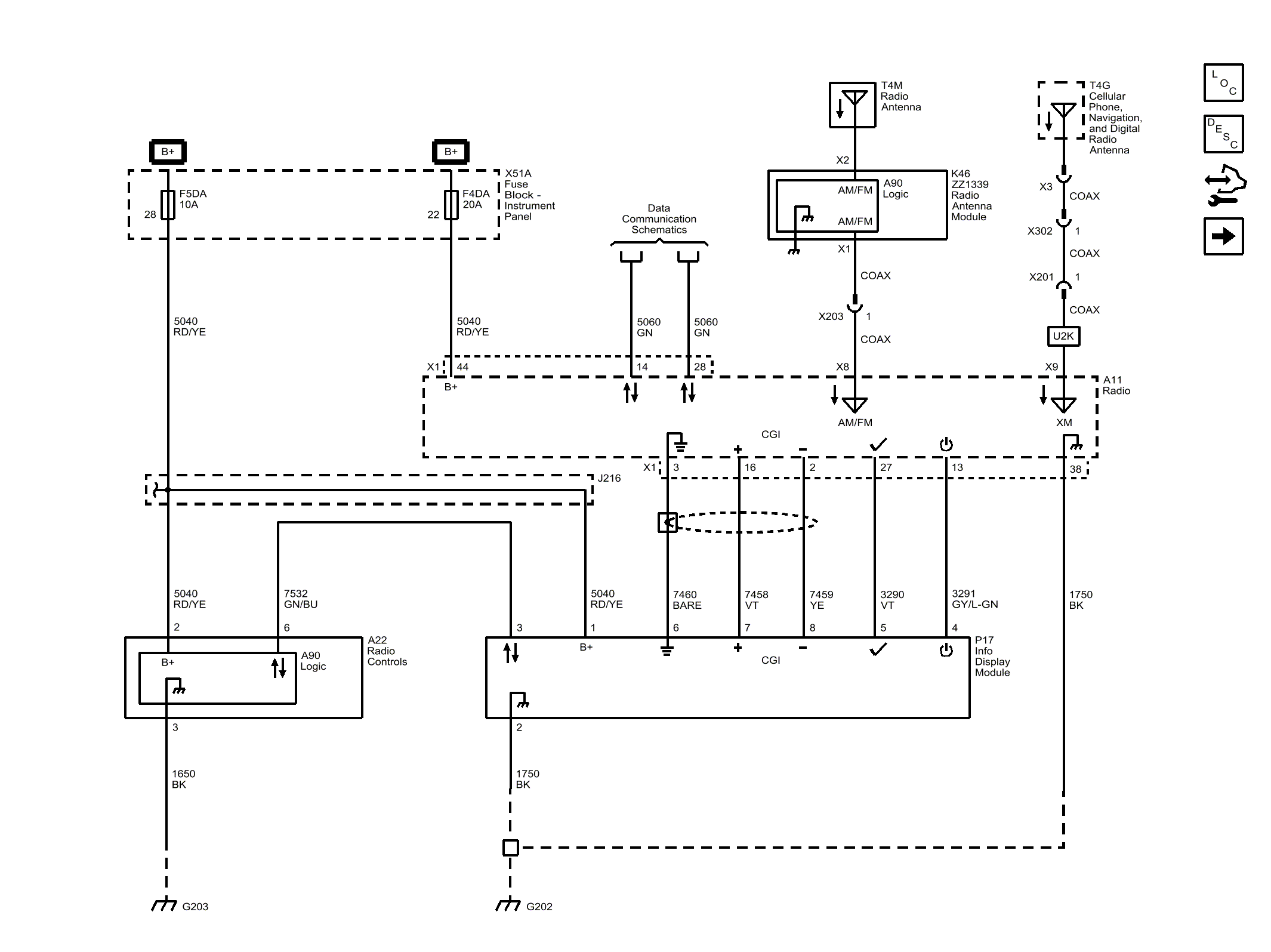
Power, Ground, Serial Data, Antennas and Display (UAG) Wiring Schematics

Fig 1: Power, Ground, Serial Data, Antennas and Display (UAG) Wiring Schematic
GM3336580Courtesy of GENERAL MOTORS COMPANY