LEMON Manuals: Even more car manuals for everyone
Home >> Buick >> 2014 >> Verano Base >> Repair and Diagnosis >> Accessories & Equipment >> Drivers Assistance Systems - ADAS >> Object Detection System And Parking Assist System >> Schematic Wiring Diagrams >> Object Detection Wiring Schematics >> Rear Vision Camera (UVC) Wiring Schematics

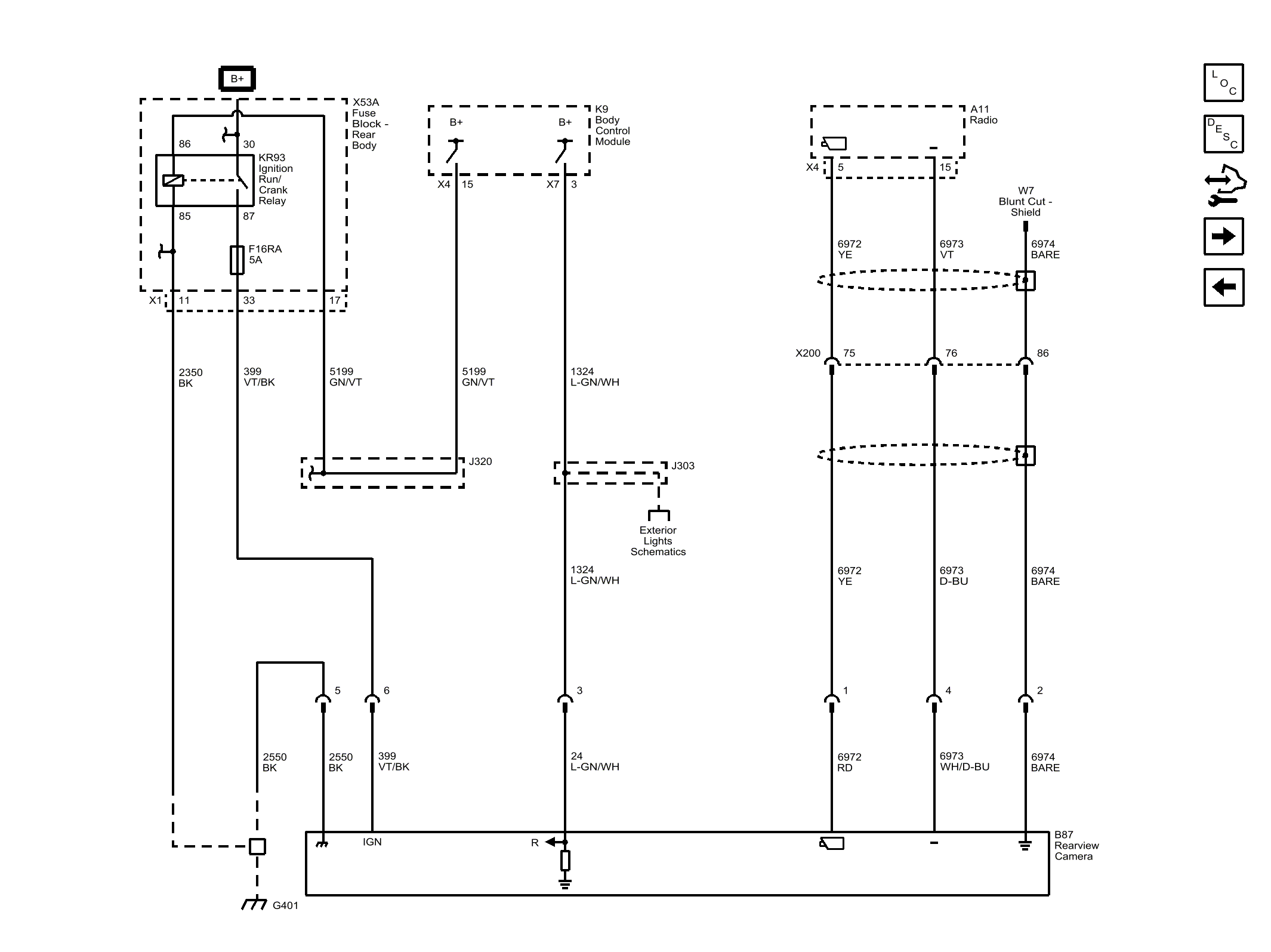
Rear Vision Camera (UVC) Wiring Schematics

Fig 1: Rear Vision Camera (UVC) Wiring Schematic
GM3337002Courtesy of GENERAL MOTORS COMPANY