LEMON Manuals: Even more car manuals for everyone
Home >> Buick >> 2014 >> Verano Base >> Repair and Diagnosis (Single Page) >> Accessories & Equipment >> Infotainment >> Cellular System, Entertainment System, And Navigation System >> Schematic Wiring Diagrams >> Radio/Navigation System Wiring Schematics >> Multimedia Player Interface (KTA) Wiring Schematics

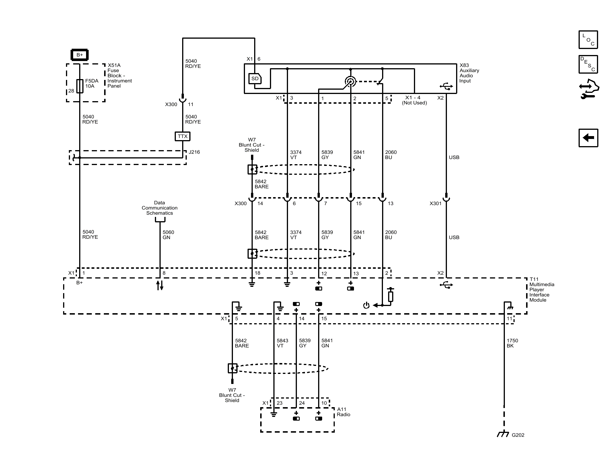
Multimedia Player Interface (KTA) Wiring Schematics

Fig 1: Multimedia Player Interface (KTA) Wiring Schematic
GM3336572Courtesy of GENERAL MOTORS COMPANY