LEMON Manuals: Even more car manuals for everyone
Home >> Buick >> 2014 >> Verano Base >> Repair and Diagnosis (Single Page) >> Accessories & Equipment >> Entertainment Systems >> Cellular System, Entertainment System, And Navigation System >> Schematic Wiring Diagrams >> Radio/Navigation System Wiring Schematics >> Auxiliary Audio Input Wiring Schematics

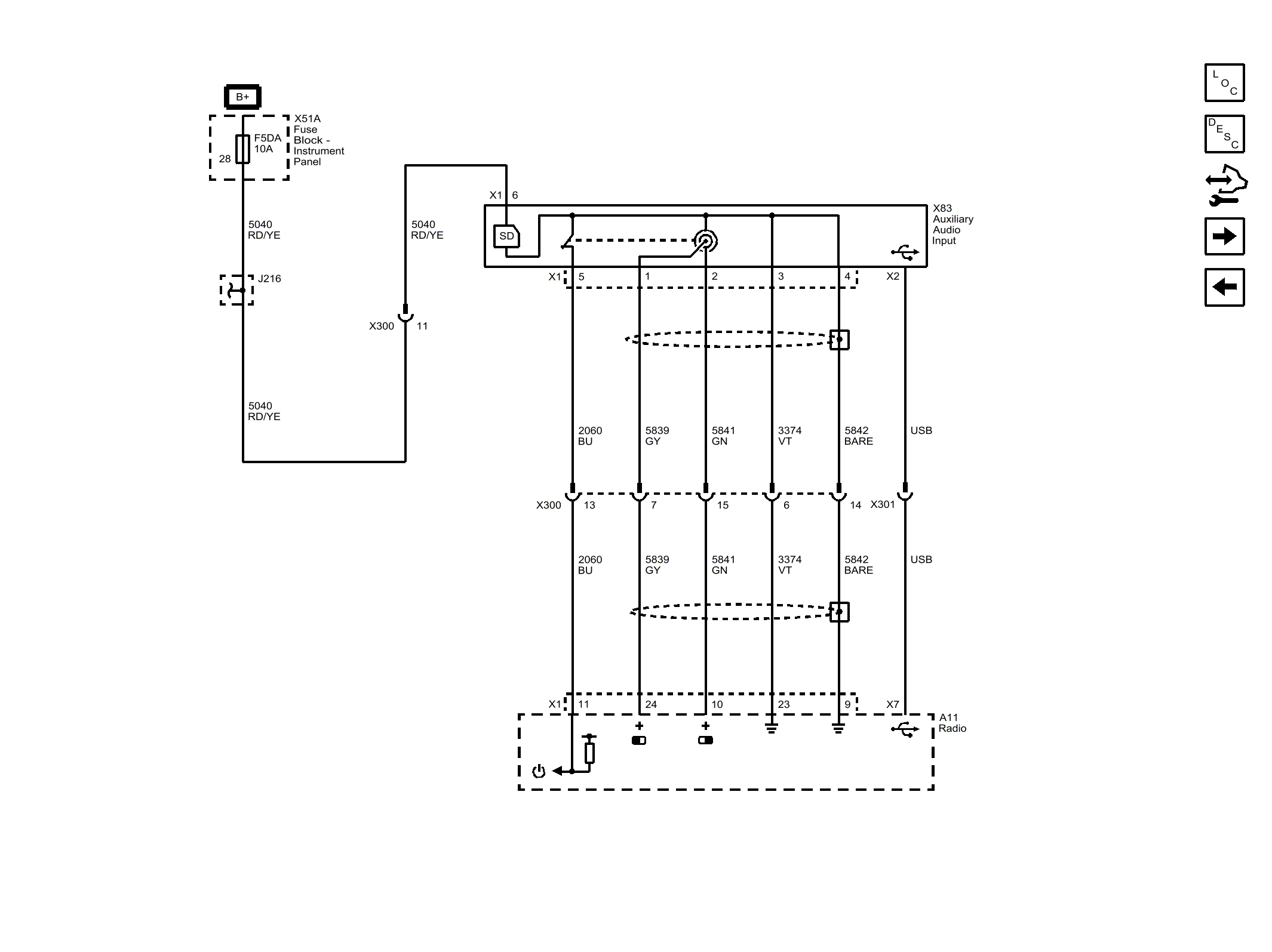
Auxiliary Audio Input Wiring Schematics

Fig 1: Auxiliary Audio Input Wiring Schematic
GM3336616Courtesy of GENERAL MOTORS COMPANY